1. 서로 같은 2개의 구 도체에 동일양의 전하로 대전시킨 후 20㎝ 떨어뜨린 결과 구 도체에 서로 8.6 × 10-4N의 반발력이 작용하였다. 구 도체에 주어진 전하는 약 몇 C인가?
① 5.2 × 10-8 ② 6.2 × 10-8
③ 7.2 × 10-8 ④ 8.2 × 10-8
2. 정전계 내 도체 표면에서 전계의 세기가

(V/m)일 때 도체 표면상의 전하 밀도 ρs(C/m2)를 구하면? 단, 자유공간이다.
① 1 ② 2
③ 3 ④ 5
3. 영구자석 재료로 사용하기에 적합한 특성은?
① 잔류자기와 보자력이 모두 큰 것이 적합하다.
② 잔류자기는 크고 보자력은 작은 것이 적합하다.
③ 잔류자기는 작고 보자력은 큰 것이 적합하다.
④ 잔류자기와 보자력이 모두 작은 것이 적합하다.
4. 자기회로와 전기회로에 대한 설명으로 틀린 것은?
① 자기저항의 역수를 컨덕턴스라고 한다.
② 자기회로의 투자율은 전기회로의 도전율에 대응된다.
③ 전기회로의 전류는 자기회로의 자속에 대응된다.
④ 자기저항의 단위는 AT/Wb 이다.
5. 저항의 크기가 1 Ω인 전선이 있다. 전선의 체적을 동일하게 유지하면서 길이를 2배로 늘였을 때 전선의 저항(Ω)은?
① 0.5 ② 1
③ 2 ④ 4
6. 자속밀도가 10 ㏝/m2 인 자계 내에 길이 4㎝의 도체를 자계와 직각으로 놓고 이 도체를 0.4초 동안 1 m씩 균일하게 이동하였을 때 발생하는 기전력은 몇 V인가?
① 1 ② 2
③ 3 ④ 4
7. 진공 중에서 전자파의 전파속도 (m/s)는?

8. 유전율이 ε1, ε2 인 유전체 경계면에 수직으로 전계가 작용할 때 단위 면적당 수직으로 작용하는 힘 (N/m2)은? (단, E 는 전계 (V/m)이고, D는 전속밀도 (C/m2)이다.)

9. 반지름이 3㎝인 원형 단면을 가지고 있는 환상 연철심에 코일을 감고 여기에 전류를 흘려서 철심 중의 자계 세기가 400 AT/m가 되도록 여자할 때, 철심 중의 자속 밀도는 약 몇 ㏝/m2인가? (단, 철심의 비투자율은 400이라고 한다.)
① 0.2 ② 0.8
③ 1.6 ④ 2.0
10. 내부 원통의 반지름이 a, 외부 원통의 반지름이 b 인동축 원통 콘덴서의 내외 원통 사이에 공기를 넣었을 때 정전용량이 C1 이었다. 내외 반지름을 모두 3배로 증가시키고 공기 대신 비유전율이 3인 유전체를 넣었을 경우의 정전용량 C2 는?
① C2=C1/9 ② C2=C1/3
③ C2=3C1 ④ C2=9C1
11. 변위전류와 관계가 가장 깊은 것은?
① 도체 ② 반도체
③ 자성체 ④ 유전체
12. 자기 인덕턴스(self inductance) L(H)을 나타낸 식은? (단, N은 권선수, I는 전류 (A), ø는 자속 (㏝), B는 자속밀도 (㏝/m2), A는 벡터 퍼텐셜 (㏝/m), J는 전류밀도 (A/m2)이다.)

13. 환상 솔레노이드 철심 내부에서 자계의 세기 (AT/m)는? (단, N은 코일 권선수, r은 환상 철심의 평균 반지름, I는 코일에 흐르는 전류이다.)
① NI ② NI/2πr
③ NI/2r ④ NI/4πr
14. 임의의 형상의 도선에 전류 I(A)가 흐를 때, 거리 r(m)만큼 떨어진 점에서의 자계의 세기 H(AT/m)를 구하는 비오-사바르의 법칙에서, 자계의 세기 H(AT/m)와 거리 r(m)의 관계로 옳은 것은?
① r에 반비례 ② r 에 비례
③ 2에 반비례 ④ r2에 비례
15. 다음 정전계에 관한 식 중에서 틀린 것은? (단, D는 전속밀도, V는 전위, ρ는 공간(체적)전하밀도, ε은 유전율이다.)
① 가우스의 정리 : divD=ρ
② 포아송의 방정식 : ∇2V=ρ/ε
③ 라플라스의 방정식 : ∇2V=0
④ 발산의 정리 :

16. 길이가 ℓ(m), 단면적의 반지름이 a(m)인 원통이 길이 방향으로 균일하게 자화되어 자화의 세기가 J(㏝/m2)인 경우, 원통 양단에서의 자극의 세기 m(㏝)은?
① aℓJ ② 2πaℓJ
③ πa2J ④ J/πa2
17. 질량 (m)이 10-10㎏이고, 전하량 (Q)이 10-8C인 전하가 전기장에 의해 가속되어 운동하고 있다. 가속도가 a=102i+102j(m/s2)일 때 전기장의 세기 E(V/m)는?
① E=104i+105j ② E=i+10j
③ E=i+j ④ E=10-6+10-4j
18. 전류 I가 흐르는 무한 직선 도체가 있다. 이 도체로부터 수직으로 0.1 m 떨어진 점에서 자계의세기가 180 AT/m이다. 도체로부터 수직으로 0.3 m 떨어진 점에서 자계의 세기 (AT/m)는?
① 20 ② 60
③ 180 ④ 540
19. 반지름이 a(m), b(m)인 두 개의 구 형상 도체 전극이 도전율 k인 매질 속에 거리 r(m)만큼 떨어져 있다. 양 전극 간의 저항 (Ω)은? (단, r ≫ a, r ≫ b 이다.)

20. 진공 중에서 2m 떨어진 두 개의 무한 평행 도선에 단위 길이 당 10-7N의 반발력이 작용할 때 각 도선에 흐르는 전류의 크기와 방향은? (단, 각 도선에 흐르는 전류의 크기는 같다.)
① 각 도선에 2A가 반대 방향으로 흐른다.
② 각 도선에 2A가 같은 방향으로 흐른다.
③ 각 도선에 1A가 반대 방향으로 흐른다.
④ 각 도선에 1A가 같은 방향으로 흐른다.
|
2과목 : 전력공학 |
21. 전력원선도에서 구할 수 없는 것은?
① 송・수전할 수 있는 최대 전력
② 필요한 전력을 보내기 위한 송・수전단 전압간의 상차각
③ 선로 손실과 송전 효율
④ 과도극한전력
22. 송전전력, 송전거리, 전선로의 전력손실이 일정하고, 같은 재료의 전선을 사용한 경우 단상 2선식에 대한 3상 4선식의 1선당 전력비는 약 얼마인가? (단, 중성선은 외선과 같은 굵기이다.)
① 0.7 ② 0.87
③ 0.94 ④ 1.15
23. 송배전선로의 고장전류 계산에서 영상 임피던스가 필요한 경우는?
① 3상 단락 계산 ② 선간 단락 계산
③ 1선 지락 계산 ④ 3선 단선 계산
24. 3상용 차단기의 정격 차단용량은?
① √3 × 정격전압× 정격차단전류
② √3 × 정격전압× 정격전류
③ 3 × 정격전압× 정격차단전류
④ 3 × 정격전압× 정격전류
25. 다음 중 송전선로의 역섬락을 방지하기 위한 대책으로 가장 알맞은 방법은?
① 가공지선 설치 ② 피뢰기 설치
③ 매설지선 설치 ④ 소호각 설치
26. 반지름 0.6 ㎝인 경동선을 사용하는 3상 1회선 송전선에서 선간거리를 2 m로 정삼각형 배치할 경우, 각 선의 인덕턴스 (mH/km)는 약 얼마인가?
① 0.81 ② 1.21
③ 1.51 ④ 1.81
27. 다음 중 그 값이 항상 1 이상인 것은?
① 부등률 ② 부하율
③ 수용률 ④ 전압강하율
28. 개폐서지의 이상전압을 감쇄할 목적으로 설치하는 것은?
① 단로기 ② 차단기
③ 리액터 ④ 개폐저항기
29. 전원이 양단에 있는 환상선로의 단락보호에 사용되는 계전기는?
① 방향거리 계전기 ② 부족전압 계전기
③ 선택접지 계전기 ④ 부족전류 계전기
30. 파동임피던스 Z1=500Ω인 선로에 파동임피던스 Z2=1500Ω인 변압기가 접속되어 있다. 선로로부터 600㎸의 전압파가 들어왔을 때, 접속점에서의 투과파 전압(㎸)은?
① 300 ② 600
③ 900 ④ 1200
31. 전력용콘덴서를 변전소에 설치할 때 직렬리액터를 설치하고자 한다. 직렬리액터의 용량을 결정하는 계산식은? (단, f0는 전원의 기본주파수, C는 역률 개선용 콘덴서의 용량, L은 직렬리액터의 용량이다.)

32. 66/22 kV, 2000 kVA 단상변압기 3대를 1뱅크로 운전하는 변전소로부터 전력을 공급받는 어떤 수전점에서의 3상 단락전류는 약 몇 A인가? (단, 변압기의 %리액턴스는 7이고 선로의 임피던스는 0이다.)
① 750 ② 1570
③ 1900 ④ 2250
33. 부하의 역률을 개선할 경우 배전선로에 대한 설명으로 틀린 것은? (단, 다른 조건은 동일하다.)
① 설비용량의 여유 증가 ② 전압강하의 감소
③ 선로정류의 증가 ④ 전력손실의 감소
34. 한류리액터를 사용하는 가장 큰 목적은?
① 충전전류의 제한 ② 접지전류의 제한
③ 누설전류의 제한 ④ 단락전류의 제한
35. 수력발전소의 형식을 취수방법, 운용방법에 따라 분류할 수 있다. 다음 중 취수방법에 따른 분류가 아닌 것은?
① 댐식 ② 수로식
③ 조정지식 ④ 유역 변경식
36. 배전선로에 3상 3선식 비접지 방식을 채용할 경우 나타나는 현상은?
① 1선 지락 고장 시 고장 전류가 크다.
② 1선 지락 고장 시 인접 통신선의 유도장해가 크다.
③ 고저압 혼촉고장 시 전압선의 전위상승이 크다.
④ 1선 지락 고장 시 건전상의 대지 전위상승이 크다.
37. 전력계통을 연계시켜서 얻는 이득이 아닌 것은?
① 배후 전력이 커져서 단락용량이 작아진다.
② 부하 증가 시 종합첨두부하가 저감된다.
③ 공급 예비력이 절감된다.
④ 공급 신뢰도가 향상된다.
38. 원자력발전소에서 비등수형 원자로에 대한 설명으로 틀린 것은?
① 연료로 농축 우라늄을 사용한다.
② 냉각재로 경수를 사용한다.
③ 물을 원자로 내에서 직접 비등시킨다.
④ 가압수형 원자로에 비해 노심의 출력밀도가 높다.
39. 선간전압이 V(kV)이고 3상 정격용량이 P(kVA)인 전력계통에서 리액턴스가 X(ohm)라고 할 때, 이 리액턴스를 %리액턴스로 나타내면?
① XP/10V ② XP/10V2
③ XP/V2 ④ 10V2/XP
40. 증기 사이클에 대한 설명 중 틀린 것은?
① 랭킨사이클의 열효율은 초기 온도 및 초기 압력이 높을수록 효율이 크다.
② 재열사이클은 저압터빈에서 증기가 포화 상태에 가까워졌을 때 증기를 다시 가열하여 고압 터빈으로 보낸다.
③ 재생사이클은 증기 원동기 내에서 증기의 팽창 도중에서 증기를 추출하여 급수를 예열한다.
④ 재열재생사이클은 재생사이클과 재열 사이클을 조합하여 병용하는 방식이다.
|
3과목 : 전기기기 |
41. 동기발전기 단절권의 특징이 아닌 것은?
① 코일 간격이 극 간격보다 작다.
② 전절권에 비해 합성 유기 기전력이 증가한다.
③ 전절권에 비해 코일 단이 짧게 되므로 재료가 절약된다.
④ 고조파를 제거해서 전절권에 비해 기전력의 파형이 좋아진다.
42. 전부하로 운전하고 있는 50 ㎐, 4극의 권선형 유도전동기가 있다. 전부하에서 속도를 1440 rpm에서 1000 rpm으로 변화시키자면 2차에 약 몇 Ω의 저항을 넣어야 하는가? (단, 2차 저항은 0.02 Ω이다.)
① 0.147 ② 0.18
③ 0.02 ④ 0.024
43. 단면적 10 cm2인 철심에 200 회의 권선을 감고, 이 권선에 60 ㎐, 60 V인 교류전압을 인가하였을 때 철심의 최대자속 밀도는 약 몇 ㏝/m2인가?
① 1.126×10-3 ② 1.126
③ 2.252×10-3 ④ 2.252
44. 동기기의 안정도를 증진시키는 방법이 아닌 것은?
① 단락비를 크게 할 것
② 속응여자방식을 채용할 것
③ 정상 리액턴스를 크게 할 것
④ 영상 및 역상 임피던스를 크게 할 것
45. 직류발전기를 병렬운전할 때 균압모선이 필요한 직류기는?
① 직권발전기, 분권발전기
② 복권발전기, 직권발전기
③ 복권발전기, 분권발전기
④ 분권발전기, 단극발전기
46. 4극, 중권, 총 도체 수 500, 극당 자속이 0.01 ㏝인 직류 발전기가 100 V의 기전력을 발생시키는데 필요한 회전수는 몇 rpm인가?
① 800 ② 1000
③ 1200 ④ 1600
47. 포화되지 않은 직류발전기의 회전수가 4배로 증가되었을 때 기전력을 전과 같은 값으로 하려면 자속을 속도 변화전에 비해 얼마로 하여야 하는가?
① 1/2 ② 1/3
③ 1/4 ④ 1/8
48. 2상 교류 서브모터를 구동하는데 필요한 2상 전압을 얻는 방법으로 널리 쓰이는 방법은?
① 2상 전원을 직접 이용하는 방법
② 환상 결선 변압기를 이용하는 방법
③ 여자권선에 리액터를 삽입하는 방법
④ 증폭기 내에서 위상을 조정하는 방법
49. 취급이 간단하고 기동시간이 짧아서 섬과 같이 전력계통에서 고립된 지역, 선박 등에 사용되는 소용량 전원용 발전기는?
① 터빈 발전기 ② 엔진 발전기
③ 수차 발전기 ④ 초전도 발전기
50. 권선형 유도전동기 2대를 직렬종속으로 운전하는 경우 그 동기속도는 어떤 전동기의 속도와 같은가?
① 두 전동기 중 적은 극수를 갖는 전동기
② 두 전동기 중 많은 극수를 갖는 전동기
③ 두 전동기의 극수의 합과 같은 극수륵 갖는 전동기
④ 두 전동기의 극수의 합의 평균과 같은 극수를 갖는 전동기
51. GTO 사이리스터의 특징으로 틀린 것은?
① 각 단자의 명칭은 SCR 사이리스터와 같다.
② 온(On) 상태에서는 양방향 전류특성을 보인다.
③ 온(On) 드롭(Drop)은 약 2~4 V가 되어 SCR 사이리스터보다 약간 크다.
④ 오프(Off) 상태에서는 SCR 사이리스터처럼 양방향 전압저지능력을 갖고 있다.
52. 3상 변압기의 병렬운전 조건으로 틀린 것은?
① 각 군의 임피던스가 용량에 비례할 것
② 각 변압기의 백분율 임피던스 강하가 같을 것
③ 각 변압기의 권수비가 같고 1차와 2차의 정격전압이 같을 것
④ 각 변압기의 상회전 방향 및 1차와 2차 선간전압의 위상 변위가 같을 것
53. 직류기의 권선을 단중 파권으로 감으면 어떻게 되는가?
① 저압 대전류용 권선이다.
② 균압환을 연결해야 한다.
③ 내부 병렬 회로수가 극수만큼 생긴다.
④ 전기자 병렬 회로수가 극수에 관계없이 언제나 2이다.
54. 동기발전기의 단자부근에서 단락 시 단락전류는?
① 서서히 증가하여 큰 전류가 흐른다.
② 처음부터 일정한 큰 전류가 흐른다.
③ 무시할 정도의 작은 전류가 흐른다.
④ 단락된 순간은 크나, 점차 감소한다.
55. 전력의 일부를 전원측에 반환할 수 있는 유도전동기의 속도제어법은?
① 극수 변환법 ② 크레머 방식
③ 2차 저항 가감법 ④ 세르비우스 방식
56. 단권변압기에서 1차 전압 100V, 2차 전압 110V인 단권변압기의 자기용량과 부하용량의 비는?
① 1/10 ② 1/11
③ 10 ④ 11
57. 3상 유도전동기의 기계적 출력 P(kW), 회전수 N(rpm)인 전동기의 토크 (N・m)는?

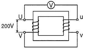
58. 210/105 V의 변압기를 그림과 같이 결선하고 고압측에 200 V의 전압을 가하면 전압계의 지시는 몇 V 인가? (단, 변압기는 가극성이다.)

① 100 ② 200
③ 300 ④ 400
59. 평형 6상 반파정류회로에서 297 V의 직류전압을 얻기 위한 입력측 각 상전압은 약 몇 V 인가? (단, 부하는 순수저항부하이다.)
① 110 ② 220
③ 380 ④ 440
60. 3상 분권 정류자전동기에 속하는 것은?
① 톰슨 전동기 ② 데리 전동기
③ 시라게 전동기 ④ 애트킨슨 전동기
|
4과목 : 회로이론 및 제어공학 |
61. 전달함수가

으로 표현되는 제어시스템에서 직류 이득은 얼마인가?
① 1 ② 2
③ 3 ④ 5
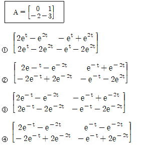
62. 시스템행렬 A가 다음과 같을 때 상태천이행렬을 구하면?

63. Routh-Hurwitz 안정도 판별법을 이용하여 특성방정식이 s3+3s2+3s+1+K=0으로 주어진 제어시스템이 안정하기 위한 K의 범위를 구하면?
① -1 ≤ K < 8 ② -1 < K ≤ 8
③ -1 < K < 8 ④ K < -1 또는 K > 8
64. 근궤적의 성질 중 틀린 것은?
① 근궤적은 실수축을 기준으로 대칭이다.
② 점근선은 허수축 상에서 교차한다.
③ 근궤적의 가지 수는 특성방정식의 차수와 같다.
④ 근궤적은 개루프 전달함수의 극점으로부터 출발한다.
65. 그림과 같은 블록선도의 제어시스템에서 속도 편차 상수 Kv는 얼마인가?

① 0 ② 0.5
③ 2 ④ ∞
66. 그림의 신호 흐름 선도에서 C(s)/R(s)는?

67. 다음 논리식을 간단히 한 것은?

① Y=/AC ② Y=A/C
③ Y=AB ④ Y=BC
68. 전달함수가 인 2차 제어시스템의 감쇠 진동 주파수(ωd)는 몇 rad/sec인가?
① 3 ② 4
③ 5 ④ 6
69. 폐루프 시스템에서 응답의 잔류 편차 또는 정상상태오차를 제거하기 위한 제어 기법은?
① 비례 제어 ② 적분 제어
③ 미분 제어 ④ on - off 제어
70. r(t)의 z변환을 E(z)라고 했을 때 e(t)의 초기값 e(0)는?

71. RL 직렬회로에 순시치 전압 v(t)=20+100sinωt+40sin(3ω+60°)+40sin5ωt(V)를 가할 때 제5고조파 전류의 실횻값 크기는 약 몇 A인가? (단, R=4Ω, ωL=1Ω이다.)
① 4.4 ② 5.66
③ 6.25 ④ 8.0
72. 대칭 3상 전압이 공급되는 3상 유도전동기에서 각 계기의 지시는 다음과 같다. 유도전동기의 역률은 약 얼마인가?

① 0.70 ② 0.75
③ 0.80 ④ 0.85
73. 불평형 3상 전류 Ia=25+j4(A), Ib=-18-j16(A), Ic=7+j15(A)일 때 영상전류 I0(A)는?
① 2.67+j ② 2.67+j2
③ 4.67+j ④ 4.67+j2
74. 회로의 단자 a와 b사이에 나타나는 전압 Vab는 몇 V인가?

① 3 ② 9
③ 10 ④ 12
75. 4단자 정수 A, B, C, D 중에서 전압이득의 차원을 가진정수는?
① A ② B
③ C ④ D
76. 분포정수회로에서 직렬 임피던스를 Z, 병렬 어드미턴스를 Y라 할 때, 선로의 특성임피던스 Zo 는?

77. 그림과 같은 회로의 구동점 임피던스 (Ω)는?

78. Δ결선으로 운전 중인 3상 변압기에서 하나의 변압기 고장에 의해 V결선으로 운전하는 경우, V결선으로 공급할 수 있는 전력은 고장 전 Δ결선으로 공급할 수 있는 전력에 비해 약 몇 %인가?
① 86.6 ② 75.0
③ 66.7 ④ 57.7
79. 그림의 교류 브리지 회로가 평형이 되는 조건은?

80. f(t)=tn의 라플라스 변환 식은?
① n/sn ② n+1/sn+1
③ n!/sn+1 ④ n+1/sn!
|
5과목 : 전기설비기술기준 및 판단기준 |
81. 다음 ( )에 들어갈 내용으로 옳은 것은?

① 전파 ② 혼촉
③ 단락 ④ 정전기
82. 옥내에 시설하는 저압전선에 나전선을 사용할 수 있는 경우는?
① 버스덕트 공사에 의하여 시설하는 경우
② 금속덕트 공사에 의하여 시설하는 경우
③ 합성수지관 공사에 의하여 시설하는 경우
④ 후강전선관 공사에 의하여 시설하는 경우
83. 사람이 상시 통행하는 터널 안의 배선(전기기계기구 안의 배선, 관등회로의 배선, 소세력 회로의 전선 및 출퇴 표시등 회로의 전선은 제외)의 시설기준에 적합하지 않은 것은? (단, 사용전압이 저압의 것에 한한다.)
① 합성수지관 공사로 시설하였다.
② 공칭단면적 2.5 mm2의 연동선을 사용하였다.
③ 애자사용공사 시 전선의 높이는 노면상 2 m로 시설하였다.
④ 전로에는 터널의 입구 가까운 곳에 전용 개폐기를 시설하였다.
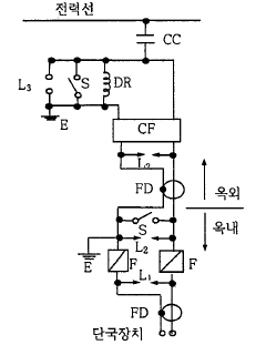
84. 그림은 전력선 반송통신용 결합장치의 보안장치이다. 여기에서 CC는 어떤 커패시터인가?

① 결합 커패시터 ② 전력용 커패시터
③ 정류용 커패시터 ④ 축전용 커패시터
85. 케이블 트레이공사에 사용하는 케이블 트레이에 대한 기준으로 틀린 것은?
① 안전율은 1.5 이상으로 하여야 한다.
② 비금속제 케이블 트레이는 수밀성 재료의 것이어야 한다.
③ 금속제 케이블 트레이 계통은 기계적 및 전기적으로 완전하게 접속하여야 한다.
④ 저압 옥내배선의 사용전압이 400 V 이상인 경우에는 금속제 트레이에 특별 제3종 접지공사를 하여야 한다.
86. 지중전선로에 사용하는 지중함의 시설기준으로 틀린 것은?
① 지중함은 견고하고 차량 기타 중량물의 압력에 견디는 구조일 것
② 지중함은 그 안의 고인물을 제거할 수 있는 구조로 되어있을 것
③ 지중함의 뚜껑은 시설자 이외의 자가 쉽게 열 수 없도록 시설할 것
④ 폭발성의 가스가 침입할 우려가 있는 것에 시설하는 지중함으로서 그 크기가 0.5 m3 이상인 것에는 통풍장치 기타 가스를 방산시키기 위한 적당한 장치를 시설할 것
87. 교량의 윗면에 시설하는 고압 전선로는 전선의 높이를 교량의 노면상 몇 m 이상으로 하여야 하는가?
① 3 ② 4
③ 5 ④ 6
88. 목장에서 가축의 탈출을 방지하기 위하여 전기울타리를 시설하는 경우 전선은 인장강도가 몇 kN 이상의 것이어야 하는가?
① 1.38 ② 2.78
③ 4.43 ④ 5.93
89. 저압의 전선로 중 절연부분의 전선과 대지간의 절연저항은 사용전압에 대한 누설전류가 최대 공급전류의 얼마를 넘지 않도록 유지하여야 하는가?
① 1/1000 ② 1/2000
③ 1/3000 ④ 1/4000
90. 가공전선로의 지지물에 하중이 가하여지는 경우에 그 하중을 받는 지지물의 기초 안전율은 얼마 이상이어야 하는가? (단, 이상 시 상정 하중은 무관)
① 1.5 ② 2.0
③ 2.5 ④ 3.0
91. 제2종 특고압 보안공사 시 지지물로 사용하는 철탑의 경간을 400 m 초과로 하려면 몇 mm2 이상의 경동연선을 사용하여야 하는가?
① 38 ② 55
③ 82 ④ 100
92. 금속제 외함을 가진 저압의 기계기구로서 사람이 쉽게 접촉될 우려가 있는 곳에 시설하는 경우 전기를 공급받는 전로에 지락이 생겼을 때 자동적으로 전로를 차단하는 장치를 설치하여야 하는 기계기구의 사용전압이 몇 V를 초과하는 경우인가?
① 30 ② 50
③ 100 ④ 150
93. 사용전압이 35,000 V 이하인 특고압 가공전선과 가공약 전류 전선을 동일 지지물에 시설하는 경우, 특고압 가공전선로의 보안공사로 적합한 것은?
① 고압 보안공사
② 제1종 특고압 보안공사
③ 제2종 특고압 보안공사
④ 제3종 특고압 보안공사
94. 과전류차단기로 시설하는 퓨즈 중 고압전로에 사용하는 비포장 퓨즈는 정격전류 2배 전류 시 몇 분 안에 용단되어야 하는가?
① 1분 ② 2분
③ 5분 ④ 10분
95. 버스 덕트 공사에 의한 저압 옥내배선 시설공사에 대한 설명으로 틀린 것은?
① 덕트(환기형의 것을 제외)의 끝부분은 막지 말 것
② 사용전압이 400 V 미만인 경우에는 덕트에 제3종 접지공사를 할 것
③ 덕트(환기형의 것을 제외)의 내부에 먼지가 침입하지 아니하도록 할 것
④ 사람이 접촉할 우려가 있고, 사용전압이 400 V 이상인 경우에는 덕트에 특별 제3종 접지공사를 할 것
96. 발전소에서 계측하는 장치를 시설하여야 하는 사항에 해당하지 않는 것은?
① 특고압용 변압기의 온도
② 발전기의 회전수 및 주파수
③ 발전기의 전압 및 전류 또는 전력
④ 발전기의 베어링(수중 메탈을 제외한다) 및 고정자의 온도
97. 사용전압이 특고압인 전기집진장치에 전원을 공급하기 위해 케이블을 사람이 접촉할 우려가 없도록 시설하는 경우 방식 케이블 이외의 케이블의 피복에 사용하는 금속체에는 몇 종 접지공사로 할 수 있는가?
① 제1종 접지공사 ② 제2종 접지공사
③ 제3종 접지공사 ④ 특별 제3종 접지공사
98. 최대사용전압이 7 ㎸를 초과하는 회전기의 절연내력 시험은 최대사용전압의 몇 배의 전압 (10,500 V 미만으로 되는 경우에는 10,500 V)에서 10분간 견디어야 하는가?
① 0.92 ② 1
③ 1.1 ④ 1.25
99. 수소냉각식 발전기 및 이에 부속하는 수소냉각장치의 시설에 대한 설명으로 틀린 것은?
① 발전기안의 수소의 밀도를 계측하는 장치를 시설할 것
② 발전기안의 수소의 순도가 85% 이하로 저하한 경우에 이를 경보하는 장치를 시설할 것
③ 발전기안의 수소의 압력을 계측하는 장치 및 그 압력이 현저히 변동한 경우에 이를 경보하는 장치를 시설할 것
④ 발전기는 기밀구조의 것이고 또한 수소가 대기압에서 폭발하는 경우에 생기는 압력에 견디는 강도를 가지는 것일 것
100. 고압 가공전선로에 사용하는 가공지선은 지름 몇 mm이상의 나경동선을 사용하여야 하는가?
① 2.6 ② 3.0
③ 4.0 ④ 5.0

문제가 이해되지 않거나 더많은 기출문제를 보고싶으면 책을 구매하시는게 더 좋습니다(추천 필기책)
파트너스 활동을 통해 일정액의 수수료를 제공받을 수 있음
※ 다른 기출문제 보러가기 ※
'기사 > 전기기사' 카테고리의 다른 글
| 2017 . 2회차 . 전기기사 필기 기출문제 (정답포함) (0) | 2020.12.14 |
|---|---|
| 2017 . 3회차 . 전기기사 필기 기출문제 (정답포함) (0) | 2020.12.11 |
| 2018 . 1회차 . 전기기사 필기 기출문제 (정답포함) (0) | 2020.11.01 |
| 2018 . 2회차 . 전기기사 필기 기출문제 (정답포함) (0) | 2020.10.31 |
| 2018 . 3회차 . 전기기사 필기 기출문제 (정답포함) (0) | 2020.10.30 |



댓글