1. 매질 1의 μσ1=500, 매질 2의 μσ2=1000 이다. 매질 2에서 경계면에 대하여 45°각도로 자계가 입사한 경우 매질 1에서 경계면과 자계의 각도에 가장 가까운 것은?
① 20° ② 30°
③ 60° ④ 80°
2. 대지의 고유저항이 ρ(Ω·m)일 때 반지름 a(m)인 그림과 같은 반구 접지극의 접지저항(Ω)은?

3. 히스테리시스 곡선에서 히스테리시스 손실에 해당하는 것은?
① 보자력의 크기 ② 잔류자기의 크기
③ 보자력과 잔류자기의 곱 ④ 히스테리시스 곡선의 면적
4. 다음 (가), (나)에 대한 법칙을 알맞은 것은?

① (가) 패러데이의 법칙 (나) 렌츠의 법칙
② (가) 렌츠의 법칙 (나) 패러데이의 법칙
③ (가) 플레밍의 왼손법칙 (나) 패러데이의 법칙
④ (가) 패러데이의 법칙 (나) 플레밍의 왼손법칙
5. N회 감긴 환상코일의 단면적이 S(m2)]이고 형균 길이가 l(m)이다. 이 코일의 권수를 2배로 늘이고 인덕턴스를 일정하게 하려고 할 때, 다음 중 옳은 것은?
① 길이를 2배로 한다. ② 단면적을 1/4로 한다.
③ 비투자율을 1/2로 한다. ④ 전류의 세기를 4배로 한다.
6. 무한장 솔레노이드에 전류가 흐를 때 발생되는 자장에 관한 설명으로 옳은 것은?
① 내부 자장은 평등자장이다.
② 외부 자장은 평등자장이다.
③ 내부 자장의 세기는 0이다.
④ 외부와 내부의 자장의 세기는 같다.
7. 자기회로에서 키르히호프의 법칙으로 알맞은 것은?(단, R : 자기저항, φ : 자속, N : 코일 권수, I : 전류이다.)

8. 전하밀도 ρs(C/m2)인 무한 판상 전화분포에 의한 임의 점의 전장에 대하여 틀린 것은?
① 전장의 세기는 매질에 따라 변한다.
② 전장의 세기는 거리 r에 반비례한다.
③ 전장은 판에 수직방향으로만 존재한다.
④ 전장의 세기는 전하밀도 ρs에 비례한다.
9. 한 변의 길이가 l(m)인 정사각형 도체 회로에 전류 I(A)를 흘릴 때 회로의 중심점에서 자계의 세기는 몇 AT/m 인가?

10. 반지름 a(m)의 원형 단면을 가진 도선에 전도전류 ic=Icsin2πft (A)가 흐를 때 변위전위 밀도의 최대값 Jd는 몇 A/m2가 되는가? (단, 도전율은 σ(S/m)이고, 비유전율은 εr이다.)

11. 대전 도체 표면전하밀도는 도체 표면의 모양에 따라 어떻게 분포하는가?
① 표면전하밀도는 뾰족할수록 커진다.
② 표면전하밀도는 평면일 때 가장 크다.
③ 표면전하밀도는 곡률이 크면 작아진다.
④ 표면전하밀도는 표면의 모양과 무관하다.
12. 일정전압의 직류전원에 저항을 접속하여 전류를 흘릴 때, 저항값을 20 % 감소시키면 흐르는 전류는 처음 저항에 흐르는 전류의 몇 배가 되는가?
① 1.0배 ② 1.1배
③ 1.25배 ④ 1.5배
13. 유전율이 ε인 유전체 내에 있는 점전하 Q에서 발산되는 전기력선의 수는 총 몇 개인가?

14. 내부도체의 반지름이 a(m)이고, 외부도체의 내반지름이 b(m), 외반지름이 c(m)인 동축케이블의 단위 길이당 자기 인덕턴스 몇 H/m 인가?

15. 공기 중에서 1m 간격을 가진 두 개의 평행 도체 전류의 단위길이에 작용하는 힘은 몇 N 인가? (단, 전류는 1A라고 한다.)
① 2×10-7 ② 4×10-7
③ 2π×10-7 ④ 4π×10-7
16. 공기 중에서 코로나방전이 3.5 kV/mm 전계에서 발생한다고 하면, 이 때 도체의 표면에 작용하는 힘은 약 몇 N/m2 인가?
① 27 ② 54
③ 81 ④ 108
17. 무한장 직선 전류에 의한 자계의 세기(AT/m)는?
① 거리 r에 비례한다. ② 거리 r2에 비례한다.
③ 거리 r에 반비례한다. ④ 거리 r2에 반비례한다.
18. 전계

의 평면 전자파가 있다. 진공 중에서 자계의 실효값은 몇 A/m 인가?
① 0.707×10-3Ee ② 1.44×10-3Ee
③ 2.65×10-3Ee ④ 5.37×10-3Ee
19. Biot-Savart의 법칙에 의하면, 전류소에 의해서 임의의 한 점(P)에 생기는 자계의 세기를 구할 수 있다. 다음 중 설명으로 틀린 것은?
① 자계의 세기는 전류의 크기에 비례한다.
② MKS 단위계를 사용할 경우 비례상수는 1/4π이다.
③ 자계의 세기는 전류소와 점 P와의 거리에 반비례한다.
④ 자계의 방향은 전류소 및 이 전류소와 점 P를 연결하는 직선을 포함하는 면에 법선방향이다.
20. x>0 인 영역에 ε1=3 인 유전체, x<0 인 영역에 ε2=5 인 유전체가 있다. 유전율 ε2 인 영역에서 전계가 E2=20ax+30ay-40az V/m 일 때, 유전율 ε1 인 영역에서의 전계 E1(V/m)은?
① 100/3ax+30ay-40az ② 20ax+90ay-40az
③ 100ax+10ay-40az ④ 60ax+30ay-40az
|
2과목 : 전력공학 |
21. 1 kWh를 열량으로 환산하면 약 몇 kcal 인가?
① 80 ② 256
③ 539 ④ 860
22. 22.9 kV, Y결선된 자가용 수전설비의 계기용변압기의 2차측 정격전압은 몇 V 인가?
① 110 ② 220
③ 110√3 ④ 220√3
23. 순저항 부하의 부하전력 P(kW), 전압 E(V), 선로의 길이 l(m), 고유저항 ρ(Ω·mm2/m)인 단상 2선식 선로에서 선로 손실을 q(W)라 하면, 전선의 단면적(mm2)은 어떻게 표현되는 가?

24. 동작전류의 크기가 커질수록 동작시간이 짧게 되는 특성을 가진 계전기는?
① 순한시 계전기 ② 전한시 계전기
③ 반한시 계전기 ④ 반한시 정한시 계전기
25. 소호리액터를 송전계통에 사용하면 리액터의 인덕턴스와 선로의 정전용량이 어떤 상태로 되어 지락전류를 소멸시키는가?
① 병렬공진 ② 직렬공진
③ 고임피던스 ④ 저임피던스
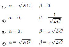
26. 동기조상기에 대한 설명으로 틀린 것은?
① 시충전이 불가능하다.
② 전압 조정이 연속적이다.
③ 중부하시에는 과여자로 운전하여 앞선 전류를 취한다.
④ 경부하시에는 부족여자로 운전하여 뒤진 전류를 취한다.
27. 화력발전소에서 가장 큰 손실은?
① 소내용 동력 ② 송풍기 손실
③ 복수기에서의 손실 ④ 연도 배출가스 손실
28. 정전용량 0.01 μF/km, 길이 173.2 km, 선간전압 60 kV, 주파수 60 Hz인 3상 송전선로의 충전전류는 약 몇 A 인가?
① 6.3 ② 12.5
③ 22.6 ④ 37.2
29. 발전용량 9800 kW의 수력발전소 최대사용 수량이 10 m3/s일 때, 유효낙차는 몇 m 인가?
① 100 ② 125
③ 150 ④ 175
30. 차단기의 정격 차단시간은?
① 고장 발생부터 소호까지의 시간
② 트립코일 여자부터 소호까지의 시간
③ 가동 접촉자의 개극부터 소호까지의 시간
④ 가동 접촉자의 동작시간부터 소호까지의 시간
31. 부하전류의 차단능력이 없는 것은?
① DS ② NFB
③ OCB ④ VCB
32. 전선의 굵기가 균일하고 부하가 송전단에서 말단까지 균일하게 분포되어 있을 때 배전선 말단에서 전압강하는? (단, 백전선 전체저항 R, 송전단의 부하전류는 I이다.)

33. 역률 개선용 콘덴서를 부하와 병렬로 연결하고자 한다. Δ결선방식과 Y결선방식을 비교하면 콘덴서의 정전용량(μF)의 크기는 어떠한가?
① Δ결선방식과 Y결선방식은 동일하다.
② Y결선방식이 Δ결선방식의 1/2이다.
③ Δ결선방식이 Y결선방식의 1/3이다.
④ Y결선방식이 Δ결선방식의 1/√3이다.
34. 송전선로에서 고조파 제거 방법이 아닌 것은?
① 변압기를 Δ결선 한다.
② 능동형 필터를 설치한다.
③ 유도전압 조정장치를 설치한다.
④ 무효전력 보상장치를 설지한다.
35. 송전선로에 댐퍼(Damper)를 설치하는 주된 이유는?
① 전선의 진동방지 ② 전선의 이탈방지
③ 코로나현상의 방지 ④ 현수애자의 경사방지
36. 400 kVA 단상변압기 3대를 Δ-Δ결선으로 사용하다가 1대의 고장으로 V-V결선을 하여 사용하면 약 몇 kVA 부하까지 걸 수 있겠는가?
① 400 ② 566
③ 693 ④ 800
37. 직격뢰에 대한 방호설비로 가장 적당한 것은?
① 복도체 ② 가공지선
③ 서지흡수기 ④ 정전방전기
38. 선로정수를 평형되게 하고, 근접 통신선에 대한 유도장해를 줄일 수 있는 방법은?
① 연가를 시행한다.
② 전선으로 복도체를 사용한다.
③ 전선로의 이도를 충분하게 한다.
④ 소호리액터 접지를 하여 중성점 전위를 줄여준다.
39. 직류 송전방식에 대한 설명으로 틀린 것은?
① 선로의 절연이 교류방식보다 용이하다.
② 리액턴스 또는 위상각에 대해서 고려 할 필요가 없다.
③ 케이블 송전일 경우 유전손이 없기 때문에 교류방식보다 유리하다.
④ 비동기 연계가 불가능하므로 주파수가 다른 계통간의 연계가 불가능하다.
40. 저압개전계통을 구성하는 방식 중 캐스케이딩(Cascading)을 일으킬 우려가 있는 방식은?
① 방사상방식 ② 저압뱅킹방식
③ 저압네크워크방식 ④ 스포트네트워크 방식
|
3과목 : 전기기기 |
41. 동기발전기의 전기자권선을 분포권으로 하면 어떻게 되는가?
① 난조를 방지한다.
② 기전력의 파형이 좋아진다.
③ 권선의 리액턴스가 커진다.
④ 집중권에 비하여 합성 유기기전력이 증가한다.
42. 부하전류가 2배로 증가하면 변압기의 2차측 동손은 어떻게 되는가?
① 1/4로 감소한다. ② 1/2로 감소한다.
③ 2배로 증가한다. ④ 4배로 증가한다.
43. 동기전동기에서 출력이 100 %일 때 역률이 1이 되도록 계자전류를 조정한 다음에 공급 전압 V 및 계자전류 If를 일정하게 하고, 전부하 이하에서 운전하면 동기전동기의 역률은?
① 뒤진 역률이 되고, 부하가 감소할수록 역률은 낮아진다.
② 뒤진 역률이 되고, 부하가 감소할수록 역률을 좋아진다.
③ 앞선 역률이 되고, 부하가 감소할수록 역률은 낮아진다.
④ 앞선 역률이 되고, 부하가 감소할수록 역률을 좋아진다.
44. 유도기전력의 크기가 서로 같은 A, B 2대의 동기발전기를 병렬 운전할 때, A발전기의 유기기전력 위상이 B보다 앞설 때 발생하는 현상이 아닌 것은?
① 동기화력이 발생한다.
② 고조파 무효순환전류가 발생된다.
③ 유효전류인 동기화전류가 발생된다.
④ 전기자 동손을 증가시키며 과열의 원인이 된다.
45. 직류기기의 철손에 관한 설명으로 틀린 것은?
① 성충철심을 사용하면 와전류손이 감소한다.
② 철손에는 풍손과 와전류손 및 저항손이 있다.
③ 철에 규소를 넣게 되면 히스테리시스손이 감소한다.
④ 전기자 철심에는 철손을 작게하기 위해 규소강관을 사용한다.
46. 직류 분권발전기의 극수 4, 전기자 총 도체수 600으로 매분 600 회전할 때 유기기전력이 220 V라 한다. 전기자 권선이 파권일 때 매극당 자속은 약 몇 Wb인가?
① 0.0154 ② 0.0183
③ 0.0192 ④ 0.0199
47. 어떤 정류회로의 부하전압이 50 V 이고 맥동률 3 %이면 직류 출력전압에 포함된 교류분은 몇 V 인가?
① 1.2 ② 1.5
③ 1.8 ④ 2.1
48. 3상 수은 정류기의 직류 평균 부하전류가 50 A가 되는 1상 양극 전류 실효값은 약 몇A 인가?
① 9.6 ② 17
③ 29 ④ 87
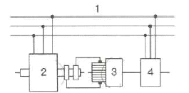
49. 그림은 동기발전기의 구동 개념도이다. 그림에서 2를 발전기라 할 때 3의 명칭으로 적합한 것은?

① 전동기 ② 여자기
③ 원동기 ④ 제동기
50. 유도전동기의 2차 회로에 2차 주파수와 같은 주파수로 적당한 크기와 적당한 위상의 전압을 외부에서 가해주는 속도제어법은?
① 1차 전압 제어 ② 2차 저항 제어
③ 2차 여자 제어 ④ 극수 변환 제어
51. 변압기의 1차측을 Y결선, 2차측을 Δ결선으로 한 경우 1차와 2차간의 전압의 위상차는?
① 0° ② 30°
③ 45° ④ 60°
52. 이상적인 변압기의 무부하에서 위상관계로 옳은 것은?
① 자속과 여자전류는 동위상이다.
② 자속은 인가전압 보다 90° 앞선다.
③ 인가전압은 1차 유기기전력 보다 90° 앞선다.
④ 1차 유기기전력과 2차 유기기전력의 위상은 반대이다.
53. 정격출격 50 kW, 4극 220 V, 60 Hz인 3상 유도전동기가 전부하 슬립 0.04, 효율 90 %로 운전되고 있을 때 다음 중 틀린 것은?
① 2차 효율 = 96% ② 1차 입력 = 55.56kW
③ 회전자입력 = 47.9kW ④ 회전자동손 = 2.08 kW
54. 저항부하를 갖는 정류회로에서 직류분 전압이 200 V일 때 다이오드에 가해지는 첨두역 전압(PIV)의 크기는 약 몇 V 인가?
① 346 ② 628
③ 692 ④ 1038
55. 3상 변압기를 1차 Y, 2차 Δ로 결선하고 1차에 선간전압 3300 V를 가했을 때의 무부하 2차 선간전압은 몇 V 인가? (단, 전압비는 30:1 이다.)
① 63.4 ② 110
③ 173 ④ 190.5
56. 직류발전기의 유기기전력과 반비례하는 것은?
① 자속 ② 회전수
③ 전체 도체수 ④ 병렬 회로수
57. 일반적인 3상 유도전동기에 대한 설명 중 틀린 것은?
① 불평형 전압으로 운전하는 경우 전류는 증가하나 토크는 감소한다.
② 원선도 작성을 위해서는 무부하시험, 구속시험, 1차 권선저항 측정을 하여야 한다.
③ 농형은 권선형에 비해 구조가 견고하며 권선형에 비해 대형전동기로 널리 사용된다.
④ 권선형 회전자의 3선중 1선이 단선되면 동기속도의 50%에서 더 이상 가속되지 못하는 현상을 게르게스현상이라 한다.
58. 변압기 보호장치의 주된 목적이 아닌 것은?
① 전압 불평형 개선
② 절연내력 저하 방지
③ 변압기 자체 사고의 최소화
④ 다른 부분으로의 사고 확산 방지
59. 직류기에서 기계각의 극수가 P인 경우 전기각과의 관계는 어떻게 되는가?
① 전기각×2P ② 전기각×3P
③ 전기각×(2/P) ④ 전기각×(3/P)
60. 3상 권선형 유도전동기의 전부하 슬림 5 %, 2차 1상의 저항 0.5 Ω 이다. 이 전동기의 기동토크를 전부하 토크와 같도록 하려면 외부에서 2차 삽입할 저항(Ω)은?
① 8.5 ② 9
③ 9.5 ④ 10
|
4과목 : 회로이론 및 제어공학 |
61.

에서 ω=10rad/s일 때의 이득 및 위상각은?
① 20dB, -90° ② 20dB, -180°
③ 40dB, -90° ④ 40dB, -180°
62. 그림과 같은 논리회로는?

① OR 회로 ② AND 회로
③ NOT 회로 ④ NOR 회로
63. 그림은 제어계와 그 제어계의 근궤적을 작도한 것이다. 이것으로부터 결정된 이득여유 값은?

① 2 ② 4
③ 8 ④ 64
64. 그림과 같은 스프링 시스템을 전기적 시스템으로 변환했을 때 이에 대응하는 회로는?

65.

와 같은 함수를 상태함수로 변환 하였다. 벡트 A, B의 값으로 적당한 것은?

66. 전달함수 G(s)=1/(1+s) 일 때, 이 계의 임펄스응답 c(t)를 나타내는 것은?(단, a는 상수이다.)

67. 궤환(Feed back) 제어계의 특징이 아닌 것은?
① 정확성이 증가한다.
② 대역폭이 증가한다.
③ 구조가 간단하고 설치비가 저렴하다.
④ 계(系)의 특성 변화에 대한 입력대 출력비의 감도가 감소한다.
68. 이산 시스템(Discrete data system)에서의 인정도 해석에 대한 설명 중 옳은 것은?
① 특성방정식의 모든 근이 z 평면의 음의 반평면에 있으면 안정하다.
② 특성방정식의 모든 근이 z 평면의 양의 반평면에 있으면 안정하다.
③ 특성방정식의 모든 근이 z 평면의 단위원 내부에 있으면 안정하다.
④ 특성방정식의 모든 근이 z 평면의 단위원 외부에 있으면 안정하다.
69. 노내 온도를 제어하는 프로세스 제어계에서 검출부에 해당하는 것은?
① 노 ② 밸브
③ 증폭기 ④ 열전대
70. 단위 부궤환 제어시스템의 루프전달함수 G(s)H(s)가 다음과 같이 주어져 있다. 이득여유가 20 dB이면 이 때의 K의 값은?

① 3/10 ② 3/20
③ 1/20 ④ 1/40
71. R=100 Ω, Xc=100 Ω이고 L만을 가변 할 수 있는 RLC 직렬회로가 있다. 이 때 f=500Hz, E=100 V를 인가하여 L을 변화시킬 때 L의 단자전압 EL의 최대값은 몇 V 인가?(단, 공진회로 이다.)
① 50 ② 100
③ 150 ④ 200
72. 어떤 회로에 전압을 115 V 인가하였더니 유효전력이 230 W, 무효전력이 345 Var를 지시한다면 회로에 흐르는 전류는 약 몇 A 인가?
① 2.5 ② 5.6
③ 3.6 ④ 4.5
73. 시정수의 의미를 설명한 것 중 틀린 것은?
① 시정수가 작으면 과도현상이 짧다.
② 시정수가 크면 정상상태에 늦게 도달한다.
③ 시정수는 τ로 표기하며 단위는 초(sec)이다.
④ 시정수는 과도 기간 중 변화해야할 양의 0.632%가 변화하는데 소요된 시간이다.
74. 무손실 선로에 있어서 감쇠정수 α, 위상정수를 β라 하면 α와 β의 값은? (단, R, G, L, C 는 선로 단위 길이당의 저항, 컨덕턴스, 인덕턴스 커패시턴스이다.)

75. 어떤 소자에 걸리는 전압이

이고, 흐르는 전류가

일 때 소비되는 전력(W)은?
① 100 ② 150
③ 250 ④ 300
76. 그림(a)와 그림(b)가 역회로 관계에 있으려면 L의 값은 몇 mH 인가?

① 1 ② 2
③ 5 ④ 10
77. 2개의 전력계로 평형 3상 부하의 전력을 측정하였더니 한쪽의 지시가 다른 쪽 전력계 지시의 3배였다면 부하의 역률은 약 얼마인가?
① 0.46 ② 0.56
③ 0.65 ④ 0.76
78. Fs=1/s(s+a) 의 라플라스 역변환은?
① e-at ② 1-e-at
③ a(1-e-at) ④ (1/a)(1-e-at)
79. 선간전압의 200 V인 대칭 3상 전원에 평형 3상 부하가 접속되어 있다. 부하 1상의 저항은 10 Ω, 유도리액턴스 15 Ω, 용량리액턴스 5 Ω가 직렬로 접속된 것이다. 부하가 Δ결선일 경우, 선로전류(A)와 3상 전력(W)은 약 얼마인가?
① It=10√6, P3=6000 ② It=10√6, P3=8000
③ It=10√3, P3=6000 ④ It=10√3, P3=8000
80. 공간적으로 서로 의 각도를 두고 배치한 n개의 코일에 대칭 n상 교류를 흘리면 그 중심에 생기는 회전자계의 모양은?
① 원형 회전자계 ② 타원형 회전자계
③ 원통형 회전자계 ④ 원추형 최전자계
|
5과목 : 전기설비기술기준 및 판단기준 |
81. 애자사용 공사에 의한 저압 옥내배선 시설 중 틀린 것은?
① 전선은 인입용 비닐 절연전선일 것
② 전선 상호 간의 간격은 6 cm 이상일 것
③ 전산의 지지점 간의 거리는 전선을 조영재의 윗면에 따라 붙일 경우에는 2 m 이하일 것
④ 전선과 조영재 사이의 이격거리는 사용 전압이 400 V 미만인 경우에는 2.5 cm 이상일 것
82. 저압 및 고압 가공전선의 높이는 도로를 횡단하는 경우와 철도를 횡단하는 경우에 각각 몇 m 이상이어야 하는가?
① 도로 : 지표상 5, 철도 : 레일면상 6
② 도로 : 지표상 5, 철도 : 레일면상 6.5
③ 도로 : 지표상 6, 철도 : 레일면상 6
④ 도로 : 지표상 6, 철도 : 레일면상 6.5
83. 사용전압이 몇 V 이상의 중성점 직접접지식 전로에 접속하는 변압기를 설치하는 곳에는 절연유의 구외 유출 및 지하 침투를 방지하기 위하여 절연유 유출 방지설비를 하여야 하는가?
① 25000 ② 50000
③ 75000 ④ 100000
84. 제1종 접지공사의 접지극을 시설할 때 동결 깊이를 감안하여 지하 몇 cm 이상의 깊이로 매설해야 하는가?
① 60 ② 75
③ 90 ④ 100
85. 특고압 가공전선이 도로 등과 교차하여 도로 상부측에 시설할 경우에 보호망도 같이 시설하려고 한다. 보호망은 제 몇 종 접지공사로 하여야 하는가?
① 제1종 접지공사 ② 제2종 접지공사
③ 제3종 접지공사 ④ 특별 제3종 접지공사
86. 발전용 수력 설비에서 필댐의 축제재료로 필댐의 본체에 사용하는 토질재료로 적합하지 않은 것은?
① 묽은 진흙으로 되지 않을 것
② 댐의 안정에 필요한 강도 및 수밀성이 있을 것
③ 유기물을 포함하고 있으며 광물성분은 불용성일 것
④ 댐의 안전에 지장을 줄 수 있는 팽창성 또는 수축성이 없을 것
87. 전기울타리용 전원 장치에 전기를 공급하는 전로의 사용전압은 몇 V 이하이어야 하는 가?
① 150 ② 200
③ 250 ④ 300
88. 사용전압이 22.9 kV인 특고압 가공전선로(종성선 다중접지식의 것으로서 전로의 지락이 생겼을 때에 2초 이내에 자동적으로 이를 전로로부터 차단하는 장치가 되어 있는 것에 한 한다.)가 상호 간 접근 또는 교차하는 경우 사용전선이 양쪽 모두 케이블인 경우 이격거리는 몇 m 이상인가?
① 0.25 ② 0.5
③ 0.75 ④ 1.0
89. 전력계통의 일부가 전력계통의 전원과 전기적으로 분리된 상태에서 분산형전원에 의해서만 가압되는 상태를 무엇이라 하는가?
① 계통연계 ② 접속설비
③ 단독운전 ④ 단순 병렬운전
90. 고압 가공인입선이 케이블 이외의 것으로서 그 전선의 아래쪽에 위험표시를 하였다면 전선의 지표상 높이는 몇 m 까지로 감할 수 있는가?
① 2.5 ② 3.5
③ 4.5 ④ 5.5
91. 특고압의 기계기구·모선 등을 옥외에 시설하는 변전소의 구내에 취급자 이외의 자가 들어가지 못하도록 시설하는 울타리·담 등의 높이는 몇 m 이상으로 하여야 하는가?
① 2 ② 2.2
③ 2.5 ④ 3
92. 가반형의 용접 전극을 사용하는 아크용접장치의 용접변압기의 1차측 전로의 대지전압은 몇 V 이하이어야 하는가?
① 60 ② 150
③ 300 ④ 400
93. 지중 전선로를 직접 매설식에 의하여 시설하는 경우에 차량 기타 중량물의 압력을 받을 우려가 없는 장소의 매설 깊이는 몇 cm 이상이어야 하는가?
① 60 ② 100
③ 120 ④ 150
94. 특고압을 옥내에 시설하는 경우 그 사용 전압의 최대한도는 몇 kV 이하인가? (단, 케이블 트레이공사는 제외)
① 25 ② 80
③ 100 ④ 160
95. 샤워시설이 있는 욕실 등 인체가 물에 젖어있는 상태에서 전기를 사용하는 장소에 콘센트를 시설할 경우 인제감전보호용 누전차단기의 정격감도전류는 몇 mA 이하인가?
① 5 ② 10
③ 15 ④ 30
96. 버스 덕트 공사에서 저압 옥내배선의 사용전압이 400 V 미만인 경우에는 덕트에 제 및 종 접지공사를 하여야 하는가?
① 제1종 접지공사 ② 제2종 접지공사
③ 제3종 접지공사 ④ 특별 제3종 접지공사
97. 전로의 사용전압이 400 V 미만이고 대지전압이 220 V 인 옥내전로에서 분기회로의 절연저항 값은 몇 MΩ 이상이어야 하는가?
① 0.1 ② 0.2
③ 0.4 ④ 0.5
98. ( ) 안에 들어갈 내용으로 옳은 것은?

① Ⓐ 60, Ⓑ 40 ② Ⓐ 40, Ⓑ 60
③ Ⓐ 30, Ⓑ 60 ④ Ⓐ 60, Ⓑ 30
99. 철탑의 강도계산을 할 때 이상 시 상정하중이 가하여지는 경우 철탑의 기초에 대한 안전율은 얼마 이상이어야 하는가?
① 1.33 ② 1.83
③ 2.25 ④ 2.75
100. 발전기를 자동적으로 전로로부터 차단하는 장치를 반드시 시설하지 않아도 되는 경우는?
① 발전기에 과전류나 과전압이 생긴 경우
② 용량 5000 kVA 이상인 발전기의 내부에 고장이 생긴 경우
③ 용량 500 kVA 이상의 발전기를 구동하는 수차의 압유 장치의 유압이 현저히 저하한 경우
④ 용량 2000 kVA 이상인 수차 발전기의 스러스트 베어링의 온도가 현저히 상승하는 경우

문제가 이해되지 않거나 더많은 기출문제를 보고싶으면 책을 구매하시는게 더 좋습니다(추천 필기책)
파트너스 활동을 통해 일정액의 수수료를 제공받을 수 있음
'기사 > 전기기사' 카테고리의 다른 글
| 2020 . 4회차 . 전기기사 필기 기출문제 (정답포함) (0) | 2020.11.10 |
|---|---|
| 2018 . 1회차 . 전기기사 필기 기출문제 (정답포함) (0) | 2020.11.01 |
| 2018 . 3회차 . 전기기사 필기 기출문제 (정답포함) (0) | 2020.10.30 |
| 2020 . 3회차 . 전기기사 필기 기출문제 (정답포함) (0) | 2020.09.23 |
| 2019 . 1회차 . 전기기사 필기 기출문제 (정답포함) (0) | 2020.08.02 |



댓글