1. 화재의 종류에 따른 분류가 틀린 것은?
① A급 : 일반화재 ② B급 : 유류화재
③ C급 : 가스화재 ④ D급 : 금속화재
2. 다음 중 고체 가연물이 덩어리보다 가루일 때 연소되기 쉬운 이유로 가장 적합한 것은?
① 발열량이 작아지기 때문이다.
② 공기와 접촉면이 커지기 때문이다.
③ 열전도율이 커지기 때문이다.
④ 활성에너지가 커지기 때문이다.
3. 위험물과 위험물안전관리법령에서 정한 지정수량을 옳게 연결한 것은?
① 무기과산화물 – 300 kg ② 황화린 - 500 kg
③ 황린 - 20 kg ④ 질산에스테르류 - 200 kg
4. 다음 중 발화점이 가장 낮은 물질은?
① 휘발유 ② 이황화탄소
③ 적린 ④ 황린
5. 화재 시 발생하는 연소가스 중 인체에서 헤모글로빈과 결합하여 혈액의 산소운반을 저해하고 두통, 근육조절의 장애를 일으키는 것은?
① CO2 Ā ② CO
③ HCN ④ H2S
6. 다음 원소 중 전기 음성도가 가장 큰 것은?
① F ② Br
③ Cl ④ I
7. 탄화칼슘이 물과 반응 시 발생하는 가연성 가스는?
① 메탄 ② 포스핀
③ 아세틸렌 ④ 수소
8. 공기의 평균 분자량이 29일 때 이산화탄소 기체의 증기비중은 얼마인가?
① 1.44 ② 1.52
③ 2.88 ④ 3.24
9. 밀폐된 공간에 이산화탄소를 방사하여 산소의 체적 농도를 12% 되게 하려면 상대적으로 방사된 이산화탄소의 농도는 얼마가 되어야 하는가?
① 25.40% ② 28.70%
③ 38.35% ④ 42.86%
10. 화재하중의 단위로 옳은 것은?
① kg/m2 Ā ② ℃/m2
③ kg·L/m3 Ā ④ ℃·L/m3
11. 인화점이 20℃인 액체위험물을 보관하는 창고의 인화 위험성에 대한 설명 중 옳은 것은?
① 여름철에 창고 안이 더워질수록 인화의 위험성이 커진다.
② 겨울철에 창고 안이 추워질수록 인화의 위험성이 커진다.
③ 20℃에서 가장 안전하고 20℃ 보다 높아지거나 낮아질수록 인화의 위험성이 커진다.
④ 인화의 위험성은 계절의 온도와는 상관없다.
12. 소화약제인 IG-541의 성분이 아닌 것은?
① 질소 ② 아르곤
③ 헬륨 ④ 이산화탄소
13. 이산화탄소 소화약제 저장용기의 설치장소에 대한 설명 중 옳지 않는 것은?
① 반드시 방호구역 내의 장소에 설치한다.
② 온도의 변화가 적은 곳에 설치한다.
③ 방화문으로 구획된 실에 설치한다.
④ 해당 용기가 설치된 곳임을 표시하는 표지를 한다.
14. 화재의 소화원리에 따른 소화방법의 적용으로 틀린 것은?
① 냉각소화 : 스프링클러설비
② 질식소화 : 이산화탄소 소화설비
③ 제거소화 : 포소화설비
④ 억제소화 : 할로겐화합물 소화설비
15. 건축물의 내화구조에서 바닥의 경우에는 철근콘크리트의 두께가 몇 cm 이상이어야 하는가?
① 7 ② 10
③ 12 ④ 15
16. 소화효과를 고려하였을 경우 화재 시 사용할 수 있는 물질이 아닌 것은?
① 이산화탄소 ② 아세틸렌
③ Halon 1211 ④ Halon 1301
17. 질식소화 시 공기 중의 산소농도는 일반적으로 약 몇 vol% 이하로 하여야 하는가?
① 25 ② 21
③ 19 ④ 15
18. 제1종 분말소화약제의 주성분으로 옳은 것은?
① KHCO3 ② NaHCO3
③ NH4H2PO4 ④ Al2(SO4)3
19. Halon 1301의 분자식은?
① CH3Cl ② CH3Br
③ CF3Cl ④ CF3Br
20. 다음 중 연소와 가장 관련 있는 화학반응은?
① 중화반응 ② 치환반응
③ 환원반응 ④ 산화반응
|
2과목 : 소방유체역학 |
21. 체적 0.1m3의 밀폐 용기 안에 기체상수가 0.4615 kJ/kg·K인 기체 1kg이 압력 2MPa, 온도 250℃ 상태로 들어있다. 이때 이 기체의 압축계수(또는 압축성인자)는?
① 0.578 ② 0.828
③ 1.21 ④ 1.73
22. 물의 체적탄성계수가 2.5 GPa 일 때 물의 체적을 1% 감소시키기 위해서 얼마의 압력(MPa)을 가하여야 하는가?
① 20 ② 25
③ 30 ④ 35
23. 안지름 40mm의 배관 속을 정상류의 물이 매분 150L로 흐를 때의 평균 유속(m/s)은?
① 0.99 ② 1.99
③ 2.45 ④ 3.01
24. 원심펌프를 이용하여 0.2m3/s로 저수지의 물을 2m 위의 물 탱크로 퍼 올리고자 한다. 펌프의 효율이 80%라고 하면 펌프에 공급해야 하는 동력(kW)은?
① 1.96 ② 3.14
③ 3.92 ④ 4.90
25. 원관에서 길이가 2배, 속도가 2배가 되면 손실수두는 원래의 몇 배가 되는가? (단, 두 경우 모두 완전발달 난류유동에 해당되며, 관 마찰계수는 일정하다.)
① 동일하다. ② 2배
③ 4배 ④ 8배
26. 펌프가 운전 중에 한숨을 쉬는 것과 같은 상태가 되어 펌프 입구의 진공계 및 출구의 압력계 지침이 흔들리고 송출유량도 주기적으로 변화하는 이상 현상을 무엇이라고 하는가?
① 공동현상(cavitation) ② 수격작용(water hammering)
③ 맥동현상(surging) ④ 언밸런스(unbalance)
27. 터보팬을 6000rpm으로 회전시킬 경우, 풍량은 0.5m3/min, 축동력은 0.049 kW이었다. 만약 터보팬의 회전수를 8000rpm 으로 바꾸어 회전시킬 경우 축동력(kW)은?
① 0.0207 ② 0.207
③ 0.116 ④ 1.161
28. 어떤 기체를 20℃에서 등온 압축하여 절대압력이 0.2MPa에서 1MPa으로 변할 때 체적은 초기 체적과 비교하여 어떻게 변화하는가?
① 5배로 증가한다. ② 10배로 증가한다.
③ 1/5 로 감소한다. ④ 1/10 로 감소한다.
29. 원관 속의 흐름에서 관의 직경, 유체의 속도, 유체의 밀도, 유체의 점성계수가 각각 D, V, ρ, μ로 표시될 때 층류 흐름의 마찰계수(f)는 어떻게 표현될 수 있는가?

30. 그림과 같이 매우 큰 탱크에 연결된 길이 100m, 안지름 20cm인 원관에 부차적 손실계수가 5이 밸브 A가 부착되어 있다. 관 입구에서의 부차적 손실계수가 0.5, 관마찰계수는 0.02이고, 평균속도가 2m/s 일 때 물의 높이 H(m)는?

① 1.48 ② 2.14
③ 2.81 ④ 3.36
31. 마그네슘은 절대온도 293K에서 열전도도가 156 W/m·K, 밀도는 1740 kg/m3이고, 비열이 1017 J/kg·K 일 때 열확산계수(m2/s)는?
① 8.96×10-2 Ā ② 1.53×10-1
③ 8.81×10-5 Ā ④ 8.81×10-4
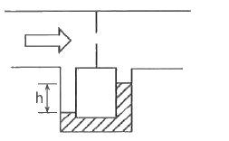
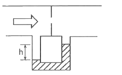
32. 그림과 같이 반지름이 1m, 폭(y 방향) 2m인 곡면 AB에 작용하는 물에 의한 힘의 수직성분(z방향) Fz와 수평성분(x방향) Fx와의 비(Fz/Fx)는 얼마인가?

① π/2 ② 2/π
③ 2π ④ 1/2π
33. 대기압하에서 10℃의 물 2kg이 전부 증발하여 100℃의 수증기로 되는 동안 흡수되는 열량(kJ)은 얼마인가? (단, 물의 비열은 4.2 kJ/kg·K, 기화열은 2250 kJ/kg 이다.)
① 756 ② 2638
③ 5256 ④ 5360
34. 경사진 관로의 유체흐름에서 수력기울기선의 위치로 옳은 것은?
① 언제나 에너지선보다 위에 있다.
② 에너지선보다 속도수두만큼 아래에 있다.
③ 항상 수평이 된다.
④ 개수로의 수면보다 속도수두 만큼 위에 있다.
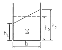
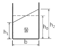
35. 그림과 같이 폭(b)이 1m이고 깊이(h0) 1m로 물이 들어있는 수조가 트럭 위에 실려 있다. 이 트럭이 7m/s2의 가속도로 달릴 때 물의 최대 높이(h2)와 최소 높이(h1)는 각각 몇 m 인가?

① h1 = 0.643 m, h2 = 1.413 m
② h1 = 0.643 m, h2 = 1.357 m
③ h1 = 0.676 m, h2 = 1.413 m
④ h1 = 0.676 m, h2 = 1.357 m
36. 유체의 거동을 해석하는데 있어서 비점성 유체에 대한 설명으로 옳은 것은?
① 실제 유체를 말한다.
② 전단응력이 존재하는 유체를 말한다.
③ 유체 유동 시 마찰저항이 속도 기울기에 비례하는 유체이다.
④ 유체 유동 시 마찰저항을 무시한 유체를 말한다.
37. 출구단면적이 0.0004m2 인 소방호스로부터 25m/s 의 속도로 수평으로 분출되는 물제트가 수직으로 세워진 평판과 충돌한다. 평판을 고정시키기 위한 힘(F)은 몇 N 인가?

① 150 ② 200
③ 250 ④ 300
38. 두 개의 가벼운 공을 그림과 같이 실로 매달아 놓았다. 두 개의 공 사이로 공기를 불어 넣으면 공은 어떻게 되겠는가?

① 파스칼의 법칙에 따라 벌어진다.
② 파스칼의 법칙에 따라 가까워진다.
③ 베르누이의 법칙에 따라 벌어진다.
④ 베르누이의 법칙에 따라 가까워진다.
39. 다음 중 뉴튼(Newton)의 점성법칙을 이용하여 만든 회전 원통식 점도계는?
① 세이볼트(Saybolt) 점도계
② 오스왈트(Ostwald) 점도계
③ 레으우드(Redwood) 점도계
④ 맥미셸(MacMichael) 점도계
40. 그림과 같이 수은 마노미터를 이용하여 물의 유속을 측정하고자 한다. 마노미터에서 측정한 높이차(h)가 30mm일 때 오리피스 전후의 압력(kPa) 차이는? (단, 수은의 비중은 13.6 이다.)

① 3.4 ② 3.7
③ 3.9 ④ 4.4
|
3과목 : 소방관계법규 |
41. 다음 중 소방기본법령상 특수가연물에 해당하는 품명별 기준수량으로 틀린 것은?
① 사류 1000kg 이상
② 면화류 200kg 이상
③ 나무껍질 및 대팻밥 400kg 이상
④ 넝마 및 종이부스러기 500kg 이상
42. 다음 중 화재예방, 소방시설 설치·유지 및 안전관리에 관한 법령상 소방시설관리업을 등록할 수 있는 자는?
① 피성년후견인
② 소방시설관리업의 등록이 취소된 날부터 2년이 경과된 자
③ 금고 이상의 형의 집행유예를 선고받고 그 유예기간 중에 있는 자
④ 금고 이상의 실형을 선고받고 그 집행이 면제된 날부터 2년이 지나지 아니한 자
43. 위험물안전관리법령상 위험물취급소의 구분에 해당하지 않는 것은?
① 이송취급소 ② 관리취급소
③ 판매취급소 ④ 일반취급소
44. 국민의 안전의식과 화재에 대한 경각심을 높이고 안전문화를 정착시키기 위한 소방의 날은 몇 월 며칠인가?
① 1월 19일 ② 10월 9일
③ 11월 9일 ④ 12월 19일
45. 화재예방, 소방시설 설치·유지 및 안전관리에 관한 법령상 소방특별조사 결과 소방대상물의 위치 상황이 화재 예방을 위하여 보완될 필요가 있을 것으로 예상되는 때에 소방대상물의 개수·이전·제거, 그 밖의 필요한 조치를 관계인에게 명령할 수 있는 사람은?
① 소방서장 ② 경찰청장
③ 시·도지사 ④ 해당구청장
46. 화재예방, 소방시설 설치·유지 및 안전관리에 관한 법령상 지하가 중 터널로서 길이가 1천미터일 때 설치하지 않아도 되는 소방시설은?
① 인명구조기구 ② 옥내소화전설비
③ 연결송수관설비 ④ 무선통신보조설비
47. 위험물안전관리법령상 허가를 받지 아니하고 당해 제조소등을 설치하거나 그 위치·구조 또는 설비를 변경할 수 있으며, 신고를 하지 아니하고 위험물의 품명·수량 또는 지정수량의 배수를 변경할 수 있는 기준으로 옳은 것은?
① 축산용으로 필요한 건조시설을 위한 지정수량 40배 이하의 저장소
② 수산용으로 필요한 건조시설을 위한 지정수량 30배 이하의 저장소
③ 농예용으로 필요한 난방시설을 위한 지정수량 40배 이하의 저장소
④ 주택의 난방시설(공동주택의 중앙난방시설 제외)을 위한 저장소
48. 소방기본법령상 시장지역에서 화재로 오인할 만한 우려가 있는 불을 피우거나 연막소독을 하려는 자가 신고를 하지 아니하여 소방자동차를 출동하게 한 자에 대한 과태료 부과·징수권자는?
① 국무총리 ② 시·도지사
③ 행정안전부 장관 ④ 소방본부장 또는 소방서장
49. 소방시설공사업법령상 공사감리자 지정대상 특정소방대상물의 범위가 아닌 것은?
① 제연설비를 신설·개설하거나 제연구역을 증설할 때
② 연소방지설비를 신설·개설하거나 살수구역을 증설할 때
③ 캐비닛형 간이스프링클러설비를 신설·개설하거나 방호·방수 구역을 증설할 때
④ 물분무등소화설비(호스릴 방식의 소화설비 제외)를 신설·개설학나 방호·방수 구역을 증설할 때
50. 소방기본법령상 소방대장의 권한이 아닌 것은?
① 화재 현장에 대통령령으로 정하는 사람외에는 그 구역에 출입하는 것을 제한할 수 있다.
② 화재 진압 등 소방활동을 위하여 필요할 때에는 소방용수 외에 댐·저수지 등의 물을 사용할 수 있다.
③ 국민의 안전의식을 높이기 위하여 소방박물관 및 소방체험관을 설립하여 운영할 수 있다.
④ 불이 번지는 것을 막기 위하여 필요할 때에는 불이 번질 우려가 있는 소방대상물 및 토지를 일시적으로 사용할 수 있다.
51. 화재예방, 소방시설 설치·유지 및 안전관리에 관한 법령상 스프링클러설비를 설치하여야 하는 특정소방대상물의 기준으로 틀린 것은? (단, 위험물 저장 및 처리 시설 중 가스시설 또는 지하구는 제외한다.)
① 복합건축물로서 연면적 3500m2 이상인 경우에는 모든 층
② 창고시설(물류터미널은 제외)로서 바닥면적 합계가 5000m2 이상인 경우에는 모든 층
③ 숙박이 가능한 수련시설 용도로 사용되는 시설의 바닥면적의 합계가 600m2 이상인 것은 모든 층
④ 판매시설, 운수시설 및 창고시설(물류터미널에 한정)로서 바닥면적의 합계가 5000m2 이상이거나 수용인원이 500명 이상인 경우에는 모든 층
52. 화재예방, 소방시설 설치·유지 및 안전관리에 관한 법령상 단독경보형 감지기를 설치하여야 하는 특정소방대상물의 기준으로 틀린 것은?(문제 오류로 가답안 발표시 1번으로 발표되었지만 확정답안 발표시 1, 3번이 정답처리 되었습니다. 여기서는 가답안인 1번을 누르시면 정답 처리 됩니다.)
① 연면적 600m2 미만의 기숙사
② 연면적 600m2 미만의 숙박시설
③ 연면적 1000m2 미만의 아파트
④ 교육연구시설 또는 수련시설 내에 있는 합숙소 또는 기숙사로서 연면적 2000m2 미만인 것
53. 소방시설공사업법령상 소방시설공사의 하자보수 보증기간이 3년이 아닌 것은?
① 자동소화장치 ② 무선통신보조설비
③ 자동화재탐지설비 ④ 간이스프링클러설비
54. 위험물안전관리법령상 제조소의 기준에 따라 건축물의 외벽 또는 이에 상당하는 공작물의 외측으로부터 제조소의 외벽 또는 이에 상당하는 공작물의 외측까지의 안전거리 기준으로 틀린 것은? (단, 제6류 위험물을 취급하는 제조소를 제외하고, 건축물에 불연재료로 된 방화상 유효한 담 또는 벽을 설치하지 않은 경우이다.)
① 의료법에 의한 종합병원에 있어서는 30m 이상
② 도시가스사업법에 의한 가스공급시설에 있어서는 20m 이상
③ 사용전압 35000V를 초과하는 특고압가공전선에 있어서는 5m 이상
④ 문화재보호법에 의한 유형문화재에 기념물 중 지정문화재에 있어서는 30m 이상
55. 소방기본법령상 화재가 발생하였을 때 화재의 원인 및 피해 등에 대한 조사를 하여야 하는 자는?
① 시·도지사 또는 소방본부장
② 소방청장·소방본부장 또는 소방서장
③ 시·도지사·소방서장 또는 소방파출소장
④ 행정안전부장관·소방본부장 또는 소방파출소장
56. 소방기본법령상 화재피해조사 중 재산피해조사의 조사범위에 해당하지 않는 것은?
① 소화활동 중 사용된 물로 인한 피해
② 열에 의한 탄화, 용융, 파손 등의 피해
③ 소방활동 중 발생한 사망자 및 부상자
④ 연기, 물품반출, 화재로 인한 폭발 등에 의한 피해
57. 위험물안전관리법령상 위험물시설의 설치 및 변경 등에 관한 기준 중 다음 ( ) 안에 들어갈 내용으로 옳은 것은?

① ㉠ : 1, ㉡ : 대통령령, ㉢ : 소방본부장
② ㉠ : 1, ㉡ : 행정안전부령, ㉢ : 시·도지사
③ ㉠ : 14, ㉡ : 대통령령, ㉢ : 소방서장
④ ㉠ : 14, ㉡ : 행정안전부령, ㉢ : 시·도지사
58. 화재예방, 소방시설 설치·유지 및 안전관리에 관한 법령상 수용인원 산정 방법 중 침대가 없는 숙박시설로서 해당 특정소방대상물의 종사자의 수는 5명, 복도, 계단 및 화장실의 바닥면적을 제외한 바닥 면적이 158m2인 경우의 수용인원은 약 몇 명인가?
① 37 ② 45
③ 58 ④ 84
59. 화재예방, 소방시설 설치·유지 및 안전관리에 관한 법령상 1급 소방안전관리 대상물에 해당하는 건축물은?
① 지하구
② 층수가 15층인 공공업무시설
③ 연면적 15000m2 이상인 동물원
④ 층수가 20층이고, 지상으로부터 높이가 100미터인 아파트
60. 화재예방, 소방시설 설치·유지 및 안전관리에 관한 법령상 1년 이하의 징역 또는 1천만원 이하의 벌금 기준에 해당하는 경우는?
① 소방용품의 형식승인을 받지 아니하고 소방용품을 제조하거나 수입한 자
② 형식승인을 받은 소방용품에 대하여 제품검사를 받지 아니한 자
③ 거짓이나 그 밖의 부정한 방법으로 제품검사 전문기관으로 지정을 받은 자
④ 소방용품에 대하여 형상 등의 일부를 변경한 후 형식승인의 변경승인을 받지 아니한 자
|
4과목 : 소방기계시설의 구조 및 원리 |
61. 다음 중 스프링클러설비에서 자동경보밸브에 리타딩 챔버(retarding chamber)를 설치하는 목적으로 가장 적절한 것은?
① 자동으로 배수하기 위하여
② 압력수의 압력을 조절하기 위하여
③ 자동경보밸브의 오보를 방지하기 위하여
④ 경보를 발하기까지 시간을 단축하기 위하여
62. 구조대의 형식승인 및 제품검사의 기술기준상 수직강하식 구조대의 구조 기준 중 틀린 것은?
① 구조대는 연속하여 강하할 수 있는 구조이어야 한다.
② 구조대는 안전하고 쉽게 사용할 수 있는 구조이어야 한다.
③ 입구틀 및 취부틀의 입구는 지름 40cm 이하의 구체가 통과할 수 있는 것이어야 한다.
④ 구조대의 포지는 외붚지와 내부포지로 구성하되, 외부포지와 내부포지의 사이에 충분한 공기층을 두어야 한다.
63. 분말소화설비의 화재안전기준상 분말소화설비의 가압용가스로 질소가스를 사용하는 경우 질소가는 소화약제 1kg마다 최소 몇 L 이상이어야 하는가? (단, 질소가스의 양은 35℃에서 1기압의 압력상태로 환산한 것이다.)
① 10 ② 20
③ 30 ④ 40
64. 도로터널의 화재안전기준상 옥내소화전설비 설치 기준 중 괄호 안에 알맞은 것은?

① ㉠ 0.1, ㉡ 130 ② ㉠ 0.17, ㉡ 130
③ ㉠ 0.25, ㉡ 350 ④ ㉠ 0.35, ㉡ 190
65. 물분무소화설비의 화재안전기준상 110kV 초과 154kV 이하의 고압 전기기기와 물분무헤드 사이의 이격거리는 최소 몇 cm 이상이어야 하는가?
① 110 ② 150
③ 180 ④ 210
66. 분말소화설비의 화재안전기준상 분말소화설비의 배관으로 동관을 사용하는 경우에는 최고사용압력의 최소 몇 배 이상의 압력에 견딜 수 있는 것을 사용하여야 하는가?
① 1 ② 1.5
③ 2 ④ 2.5
67. 소화기의 형식승인 및 제품검사의 기술기준상 A급 화재용 소화기의 능력단위 산정을 위한 소화능력시험의 내용으로 틀린 것은?
① 모형 배열 시 모형 간의 간격은 3m 이상으로 한다.
② 소화는 최초의 모형에 불을 붙인 다음 1분 후에 시작한다.
③ 소화는 무풍상태(풍속 0.5m/s 이하)와 사용상태에서 실시한다.
④ 소화약제의 방사가 완료된 때 잔염이 없어야 하며, 방사완료 후 2분 이내에 다시 불타지 아니한 경우 그 모형은 완전히 소화된 것으로 본다.
68. 상수도소화용수설비의 화재안전기준상 소화전은 특정소방대상물의 수평투영면의 각 부분으로부터 몇 m 이하가 되도록 설치하여야 하는가?
① 70 ② 100
③ 140 ④ 200
69. 연소방지설비의 화재안전기준상 배관의 설치기준 중 다음 괄호 안에 알맞은 것은?

① 1/1000 ② 2/100
③ 1/100 ④ 1/500
70. 포소화설비의 화재안전기준상 포헤드의 설치 기준 중 다음 괄호 안에 알맞은 것은?

① ㉠ 8, ㉡ 9 ② ㉠ 9, ㉡ 8
③ ㉠ 9.3, ㉡ 13.9 ④ ㉠ 13.9, ㉡ 9.3
71. 제연설비의 화재안전기준상 배출구 설치 시 예상제연구역의 각 부분으로부터 하나의 배출구까지의 수평거리는 최대 몇 m 이내가 되어야 하는가?
① 5 ② 10
③ 15 ④ 20
72. 스프링클러설비의 화재안전기준상 스프링클러헤드를 설치하는 천장·반자·천장과 반자사이·덕트·선반 등의 각 부분으로부터 하나의 스프링클러헤드까지의 수평거리 기준으로 틀린 것은? (단, 성능이 별도로 인정된 스프링클러헤드를 수리계산에 따라 설치하는 경우는 제외한다.)
① 무대부에 있어서는 1.7m 이하
② 공동주택(아파트) 세대 내의 거실에 있어서는 3.2m 이하
③ 특수가연물을 저장 또는 취급하는 장소에 있어서는 2.1m 이하
④ 특수가연물을 저장 또는 취급하는 랙크식 창고의 경우에는 1.7m 이하
73. 이산화탄소소화설비의 화재안전기준상 전역방출방식의 이산화탄소소화설비의 분사헤드 방사압력은 저압식인 경우 최소 몇 MPa 이상이어야 하는가?
① 0.5 ② 1.05
③ 1.4 ④ 2.0
74. 완강기의 형식승인 및 제품검사의 기술기준상 완강기 및 간이완강기의 구성으로 적합한 것은?
① 속도조절기, 속도조절기의 연결부, 하부지지장치, 연결금속구, 벨트
② 속도조절기, 속도조절기의 연결부, 로우프, 연결금속구, 벨트
③ 속도조절기, 가로봉 및 세로봉, 로우프, 연결금속구, 벨트
④ 속도조절기, 가로봉 및 세로봉, 로우프, 하부지지장치, 벨트
75. 스프링클러설비의 화재안전기준상 스프링클러설비의 교차배관에서 분기되는 지점을 기점으로 한쪽 가지배관에 설치되는 헤드의 개수는 최대 몇 개 이하인가? (단, 방호구역 안에서 칸막이 등으로 구획하여 헤드를 증설하는 경우와 격자형 배관방식을 채택하는 경우는 제외한다.)
① 8 ② 10
③ 12 ④ 15
76. 제연설비의 화재안전기준상 제연설비의 설치장소 기준 중 하나의 제연구역의 면적은 최대 몇 m2 이내로 하여야 하는가?
① 700 ② 1000
③ 1300 ④ 1500
77. 옥내소화전설비의 화재안전기준상 배관의 설치기준 중 다음 괄호 안에 알맞은 것은?

① ㉠ 80, ㉡ 65 ② ㉠ 80, ㉡ 50
③ ㉠ 100, ㉡ 65 ④ ㉠ 125, ㉡ 80
78. 이산화탄소소화설비의 화재안전기준상 저압식 이산화탄소 소화약제 저장용기에 설치하는 안전밸브의 작동압력은 내압시험압력의 몇 배에서 작동해야 하는가?
① 0.24 ~ 0.4 ② 0.44 ~ 0.6
③ 0.64 ~ 0.8 ④ 0.84 ~ 1
79. 소화기구 및 자동소화장치의 화재안전기준상 노유자시설은 당해용도의 바닥면적 얼마 마다 능력단위 1단위 이상의 소화기구를 비치해야 하는가?
① 바닥면적 30m2 마다 ② 바닥면적 50m2 마다
③ 바닥면적 100m2 마다 ④ 바닥면적 200m2 마다
80. 포소화설비의 화재안전기준상 전역방출방식 고발포용고정포방출구의 설치기준으로 옳은 것은? (단, 해당 방호구역에서 외부로 새는 양 이상의 포수용액을 유효하게 추가하여 방출하는 설비가 있는 경우는 제외한다.)
① 개구부에 자동폐쇄장치를 설치할 것
② 바닥면적 600m2 마다 1개 이상으로 할 것
③ 방호대상물의 최고부분보다 낮은 위치에 설치할 것
④ 특정소방대상물 및 포의 팽창비에 따른 종별에 관계없이 해당 방호구역의 관포체적 1m3에 대한 1분당 포수용액 방출량은 1L 이상으로 할 것

문제가 이해되지 않거나 더많은 기출문제를 보고싶으면 책을 구매하시는게 더 좋습니다(추천 필기책)
파트너스 활동을 통해 일정액의 수수료를 제공받을 수 있음
※ 다른 기출문제 보러가기 ※
'기사 > 소방설비(기계)기사' 카테고리의 다른 글
| 2017 . 1회차 . 소방설비기사(기계) 필기 기출문제 (정답포함) (0) | 2020.11.20 |
|---|---|
| 2017 . 4회차 . 소방설비기사(기계) 필기 기출문제 (정답포함) (0) | 2020.11.09 |
| 2020 . 1회차 . 소방설비기사(기계) 필기 기출문제 (정답포함) (0) | 2020.07.13 |
| 2018 . 1회차 . 소방설비기사(기계) 필기 기출문제 (정답포함) (0) | 2020.06.13 |
| 2018 . 2회차 . 소방설비기사(기계) 필기 기출문제 (정답포함) (0) | 2020.06.12 |

![[성안당]소방설비기사 필기 기계1 12 세트 (초스피드 기억법+본문 및 과년도+요점노트2020), 성안당](https://static.coupangcdn.com/image/affiliate/banner/5839db2fcdb9b44123331dd66724b59a@2x.jpg)

댓글