본문 바로가기
기사/전기공사기사

2021 . 1회차 . 전기공사기사 필기 기출문제 (정답포함)

by 라인T 2022. 2. 4.
반응형
  1. 금속의 표면 담금질에 쓰이는 가열방식은?
    ① 유도가열 ② 유전가열
    ③ 저항가열 ④ 아크가열
  2. 구리의 원자량은 63.54이고 원자가가 2일 때 전기화학당량은? (단, 구리 화학당량과 전기화학당량의 비는 약 96,494이다.)
    ① 0.3292 mg/C ② 0.03292 mg/C
    ③ 0.3292 g/C ④ 0.03292 g/C
  3. SCR 사이리스터에 대한 설명으로 틀린 것은?
    ① 게이트 전류에 의하여 턴온 시킬 수 있다.
    ② 게이트 전류에 의하여 턴오프 시킬 수 없다.
    ③ 오프 상태에서는 순방향전압과 역방향전압 중 역방향전압에 대해서만 차단 능력을 가진다.
    ④ 턴오프 된 후 다시 게이트 전류에 의하여 턴온시킬 수 있는 상태로 회복할 때까지 일정한 시간이 필요하다.
  4. 형광등의 광색이 주광색일 때 색온도(K)는 약 얼마인가?
    ① 3,000 ② 4,500
    ③ 5,000 ④ 6,500
  5. 풍량 6,000m3/min, 전 풍압 120mmAq의 주 배기용 팬을 구동하는 전동기의 소요동력(kW)은? (단, 팬의 효율 η=60%, 여유계수 K=1.2이다.)
    ① 200 ② 235
    ③ 270 ④ 305
  6. 단상 반파정류회로에서 직류전압의 평균값 150V를 얻으려면 정류소자의 피크 역전압(PIV)은 약 몇 V인가? (단, 부하는 순저항 부하이고 정류소자의 전압강하(평균값)는 7V이다.)
    ① 247 ② 349
    ③ 493 ④ 698
  7. 전기 철도의 전동기 속도제어방식 중 주파수와 전압을 가변시켜 제어하는 방식은?
    ① 저항 제어 ② 초퍼 제어
    ③ 위상 제어 ④ VVVF 제어
  8. 3,400lm의 광속을 내는 전구를 반경 14cm, 투과율 80%인 구형 글로브 내에서 점등시켰을 때 글로브의 평균 휘도(sb)는 약 얼마인가?
    ① 0.35 ② 35
    ③ 350 ④ 3,500
  9. 일반적인 농형 유도전동기의 기동법이 아닌 것은?
    ① Y - △ 기동 ② 전전압 기동
    ③ 2차 저항 기동 ④ 기동보상기에 의한 기동
  10. 물 7L를 14℃에서 100℃까지 1시간 동안 가열하고자 할 때, 전열기 용량(kW)은? (단, 전열기의 효율은 70%이다.)
    ① 0.5 ② 1
    ③ 1.5 ④ 2
  11. 알칼리 축전지에서 소결식에 해당하는 초급방전형은?
    ① AM형 ② AMH형
    ③ AL형 ④ AH-S형
  12. 장력이 걸리지 않는 개소의 알루미늄선 상호간 또는 알루미늄선과 동선의 압축접속에 사용하는 분기 슬리브는?
    ① 알루미늄 전선용 압축 슬리브
    ② 알루미늄 전선용 보수 슬리브
    ③ 알루미늄 전선용 분기 슬리브
    ④ 분기 접속용 동 슬리브
  13. 철주의 주주재로 사용하는 강관의 두께는 몇 mm 이상이어야 하는가?
    ① 1.6 ② 2.0
    ③ 2.4 ④ 2.8
  14. 다음 중 지선에 근가를 시공할 때 사용되는 콘크리트 근가의 규격(길이)(m)은?
    ① 0.5 ② 0.7
    ③ 0.9 ④ 1.0
  15. 가공전선로에 사용하는 애자가 구비해야 할 조건이 아닌 것은?
    ① 이상전압에 견디고, 내부이상전압에 대해 충분한 절연강도를 가질 것
    ② 전선의 장력, 풍압, 빙설 등의 외력에 의한 하중에 견딜 수 있는 기계적 강도를 가질 것
    ③ 비, 눈, 안개 등에 대하여 충분한 전기적 표면저항이 있어 누설전류가 흐르지 못하게 할 것
    ④ 온도나 습도의 변화에 대해 전기적 및 기계적 특성의 변화가 클 것
  16. 접지도체에 피뢰시스템이 접속되는 경우 접지도체의 최소 단면적(mm2)은? (단, 접지도체는 구리로 되어 있다.)
    ① 16 ② 20
    ③ 24 ④ 28
  17. 셀룰러덕트의 최대 폭이 200mm를 초과할 때 셀룰러덕트의 판 두께는 몇 mm 이상이어야 하는가?
    ① 1.2 ② 1.4
    ③ 1.6 ④ 1.8
  18. 고압으로 수전하는 변전소에서 접지 보호용으로 사용되는 계전기의 영상전류를 공급하는 계전기는?
    ① CT ② PT
    ③ ZCT ④ GPT
  19. 상향 광속과 하향 광속이 거의 동일하므로 하향 광속으로 직접 작업면에 직사시키고 상향 광속의 반사광으로 작업면의 조도를 증가시키는 조명기구는?
    ① 간접 조명기구 ② 직접 조명기구
    ③ 반직접 조명기구 ④ 전반확산 조명기구
  20. KS C 8000에서 감전 보호와 관련하여 조명기구의 종류(등급)을 나누고 있다. 각 등급에 따른 기구의 설명이 틀린 것은?
    ① 등급 0 기구: 기초절연으로 일부분을 보호한 기구로서 접지단자를 가지고 있는 기구
    ② 등급Ⅰ기구: 기초절연만으로 전체를 보호한 기구로서 보호 접지단자를 가지고 있는 기구
    ③ 등급Ⅱ 기구: 2중 절연을 한 기구
    ④ 등급Ⅲ 기구: 정격전압이 교류 30V 이하인 전압의 전원에 접속하여 사용하는 기구

2과목 : 전력공학

  1. 다음과 같은 유황곡선을 가진 수력지점에서 최대사용 수량 0C로 1년간 계속 발전하는데 필요한 저수지의 용량은?
    ① 면적 0CPBA ② 면적 0CDBA
    ③ 면적 DEB ④ 면적 PCD
  2. 통신선과 평행인 주파수 60Hz의 3상 1회선 송전선이 있다. 1선 지락때문에 영상전류가 100A 흐르고 있다면 통신선에 유도되는 전자유도전압(V)은? (단, 영상전류는 전 전선에 걸쳐서 같으며, 송전선과 통신선과의 상호 인덕턴스는 0.06mH/km, 그 평행길이는 40km이다.)
    ① 156.6 ② 162.8
    ③ 230.2 ④ 271.4
  3. 고장전류의 크기가 커질수록 동작시간이 짧게 되는 특성을 가진 계전기는?
    ① 순한시 계전기 ② 정한시 계전기
    ③ 반한시 계전기 ④ 반한시 정한시 계전기
  4. 3상 3선식 송전선에서 한 선의 저항이 10Ω, 리액턴스가 20Ω이며, 수전단의 선간전압이 60kV, 부하역률이 0.8인 경우에 전압강하율이 10%라 하면 이 송전선로는 약 몇 kW까지 수전할 수 있는가?
    ① 10,000 ② 12,000
    ③ 14,400 ④ 18,000
  5. 기준 선간전압 23kV, 기준 3상 용량 5,000kVA, 1선의 유도 리액턴스가 15Ω일 때 % 리액턴스는?
    ① 28.36% ② 14.18%
    ③ 7.09% ④ 3.55%
  6. 전력원선도의 가로축과 세로축을 나타내는 것은?
    ① 전압과 전류 ② 전압과 전력
    ③ 전류와 전력 ④ 유효전력과 무효전력
  7. 화력발전소에서 증기 및 급수가 흐르는 순서는?
    ① 절탄기 → 보일러 → 과열기 → 터빈 → 복수기
    ② 보일러 → 절탄기 → 과열기 → 터빈 → 복수기
    ③ 보일러 → 과열기 → 절탄기 → 터빈 → 복수기
    ④ 절탄기 → 과열기 → 보일러 → 터빈 → 복수기
  8. 연료의 발열량이 430kcal/kg일 때 화력발전소의 열효율(%)은? (단, 발전기의 출력은 PG[kW], 시간당연료의 소비량은 B[kg/h]이다.)
  9. 송전선로에서 1선 지락시에 건전상의 전압상승이 가장 적은 접지방식은?
    ① 비접지방식 ② 직접접지방식
    ③ 저항접지방식 ④ 소호리액터접지방식
  10. 접지봉으로 탑각의 접지저항 값을 희망하는 접지저항 값까지 줄일 수 없을 때 사용하는 것은?
    ① 가공지선 ② 매설지선
    ③ 크로스본드선 ④ 차폐선
  11. 전력 퓨즈(Power Fuse)는 고압, 특고압기기의 주로 어떤 전류의 차단을 목적으로 설치하는가?
    ① 충전전류 ② 부하전류
    ③ 단락전류 ④ 영상전류
  12. 정전용량이 C1이고, V1의 전압에서 Qr의 무효전력을 발생하는 콘덴서가 있다. 정전용량을 변화시켜 2배로 승압된 전압(2V1)에서도 동일한 무효전력 Qr을 발생시키고자 할 때, 필요한 콘덴서의 정전용량(C2)은?
    ① C2=4C1 ② C2=2C1
    ③ C2=(1/2)C1 ④ C2=(1/4)C1
  13. 송전선로에서의 고장 또는 발전기 탈락과 같은 큰 외란에 대하여 계통에 연결된 각 동기기가 동기를 유지하면서 계속 안정적으로 운전할 수 있는지를 판별하는 안정도는?
    ① 동태안정도(dynamic stability)
    ② 정태안정도(steady-state stability)
    ③ 전압안정도(voltage stability)
    ④ 과도안정도(transient stability)
  14. 송전선로의 고장전류계산에 영상 임피던스가 필요한 경우는?
    ① 1선 지락 ② 3상 단락
    ③ 3선 단선 ④ 선간 단락
  15. 배전선로의 주상변압기에서 고압측-저압측에 주로 사용되는 보호장치의 조합으로 적합한 것은?
    ① ① ② ②
    ③ ③ ④ ④
  16. 용량 20kVA인 단상 주상 변압기에 걸리는 하루 동안의 부하가 처음 14시간 동안은 20kW, 다음 10시간 동안은 10kW일 때, 이 변압기에 의한 하루 동안의 손실량(Wh)은? (단, 부하의 역률은 1로 가정하며, 변압기의 전 부하동손은 300W, 철손은 100W이다.)
    ① 6,850 ② 7,200
    ③ 7,350 ④ 7,800
  17. 케이블 단선사고에 의한 고장점까지의 거리를 정전용량측정법으로 구하는 경우, 건전상의 정전용량이 C, 고장점까지의 정전용량이 Cx, 케이블의 길이가 ℓ일 때 고장점까지의 거리를 나타내는 식으로 옳은 것은?
  18. 수용가의 수용률을 나타낸 식은?
    ① (합성최대수용전력[kW]/평균전력[kW])×100%
    ② (평균전력[kW]/합성최대수용전력[kW])×100%
    ③ (부하설비합계[kW]/최대수용전력[kW])×100%
    ④ (최대수용전력[kW]/부하설비합계[kW])×100%
  19. % 임피던스에 대한 설명으로 틀린 것은?
    ① 단위를 갖지 않는다.
    ② 절대량이 아닌 기준량에 대한 비를 나타낸 것이다.
    ③ 기기 용량의 크기와 관계없이 일정한 범위의 값을 가진다.
    ④ 변압기나 동기기의 내부 임피던스에만 사용할 수 있다.
  20. 역률 0.8, 출력 320kW인 부하에 전력을 공급하는 변전소에 역률 개선을 위해 전력용 콘덴서 140kVA를 설치했을 때 합성역률은?
    ① 0.93 ② 0.95
    ③ 0.97 ④ 0.99

3과목 : 전기기기

  1. 전류계를 교체하기 위해 우선 변류기 2차측을 단락시켜야 하는 이유는?
    ① 측정오차 방지 ② 2차측 절연 보호
    ③ 2차측 과전류 보호 ④ 1차측 과전류 방지
  2. BJT에 대한 설명으로 틀린 것은?
    ① Bipolar Junction Thyristor의 약자이다.
    ② 베이스 전류로 컬렉터 전류를 제어하는 전류제어 스위치이다.
    ③ MOSFET, IGBT 등의 전압제어스위치보다 훨씬 큰 구동전력이 필요하다.
    ④ 회로기호 B, E, C는 각각 베이스(Base), 에미터(Emitter), 컬렉터(Collector)이다.
  3. 단상 변압기 2대를 병렬운전할 경우 각 변압기의 부하전류를 Ia, Ib, 1차측으로 환산한 임피던스를 Za, Zb, 백분율 임피던스 강하를 za, zb, 정격용량을 Pan, Pbn이라 한다. 이때 부하 분담에 대한 관계로 옳은 것은?
  4. 사이클로 컨버터(Cyclo Converter)에 대한 설명으로 옳지 않은 것은?
    ① DC - DC buck 컨버터와 동일한 구조이다.
    ② 출력주파수가 낮은 영역에서 많은 장점이 있다.
    ③ 시멘트공장의 분쇄기 등과 같이 대용량 저속 교류전동기 구동에 주로 사용된다.
    ④ 교류를 교류로 직접변환하면서 전압과 주파수를 동시에 가변하는 전력변환기이다.
  5. 극수 4이며 전기자 권선은 파권, 전기자 도체수가 250인 직류발전기가 있다. 이 발전기가 1,200rpm으로 회전할 때 600V의 기전력을 유기하려면 1극당 자속은 몇 Wb인가?
    ① 0.04 ② 0.05
    ③ 0.06 ④ 0.07
  6. 직류발전기의 전기자 반작용에 대한 설명으로 틀린 것은?
    ① 전기자 반작용으로 인하여 전기적 중성축을 이동시킨다.
    ② 정류자 편간 전압이 불균일하게 되어 섬락의 원인이 된다.
    ③ 전기자 반작용이 생기면 주자속이 왜곡되고 증가하게 된다.
    ④ 전기자 반작용이란, 전기자 전류에 의하여 생긴 자속이 계자에 의해 발생되는 주자속에 영향을 주는 현상을 말한다.
  7. 기전력(1상)이 Eo이고, 동기임피던스(1상)가 Zs인 2대의 3상 동기발전기를 무부하로 병렬운전시킬 때 각 발전기의 기전력 사이에 δs의 위상차가 있으면 한 쪽 발전기에서 다른 쪽 발전기로 공급되는 1상당의 전력(W)은?
  8. 60Hz, 6극의 3상 권선형 유도전동기가 있다. 이 전동기의 정격 부하시 회전수가 1,140rpm일 때, 이 전동기를 같은 공급전압에서 전부하 토크로 기동하기 위한 외부저항은 몇 Ω인가? (단, 회전자 권선은 Y결선이며, 슬립링간의 저항은 0.1Ω이다.)
    ① 0.5 ② 0.85
    ③ 0.95 ④ 1
  9. 발전기 회전자에 유도자를 주로 사용하는 발전기는?
    ① 수차발전기 ② 엔진발전기
    ③ 터빈발전기 ④ 고주파발전기
  10. 3상 권선형 유도전동기 기동 시 2차측에 외부 가변저항을 넣는 이유는?
    ① 회전수 감소 ② 기동전류 증가
    ③ 기동토크 감소 ④ 기동전류 감소와 기동토크 증가
  11. 1차 전압은 3,300V이고 1차측 무부하 전류는 0.15A, 철손은 330W인 단상 변압기의 자화전류는 약 몇 A인가?
    ① 0.112 ② 0.145
    ③ 0.181 ④ 0.231
  12. 유도전동기의 안정운전의 조건은? (단, Tm: 전동기 토크, TL: 부하 토크, n: 회전수)
  13. 전압이 일정한 모선에 접속되어 역률 1로 운전하고 있는 동기전동기를 동기조상기로 사용하는 경우 여자전류를 증가시키면 이 전동기는 어떻게 되는가?
    ① 역률은 앞서고, 전기자 전류는 증가한다.
    ② 역률은 앞서고, 전기자 전류는 감소한다.
    ③ 역률은 뒤지고, 전기자 전류는 증가한다.
    ④ 역률은 뒤지고, 전기자 전류는 감소한다.
  14. 직류기에서 계자자속을 만들기 위하여 전자석의 권선에 전류를 흘리는 것을 무엇이라 하는가?
    ① 보극 ② 여자
    ③ 보상권선 ④ 자화작용
  15. 동기리액턴스 Xs=10Ω, 전기자 권선저항 ra=0.1Ω, 3상 중 1상의 유도기전력 E=6400V, 단자전압 V=4000V, 부하각δ=30°이다. 비철극기인 3상 동기발전기의 출력은 약 몇 kW인가?
    ① 1,280 ② 3,840
    ③ 5,560 ④ 6,650
  16. 히스테리시스 전동기에 대한 설명으로 틀린 것은?
    ① 유도전동기와 거의 같은 고정자이다.
    ② 회전자 극은 고정자 극에 비하여 항상 각도 δh만큼 앞선다.
    ③ 회전자가 부드러운 외면을 가지므로 소음이 적으며, 순조롭게 회전시킬 수 있다.
    ④ 구속 시부터 동기속도만을 제외한 모든 속도 범위에서 일정한 히스테리시스 토크를 발생한다.
  17. 단자전압 220V, 부하전류 50A인 분권발전기의 유도기전력은 몇 V인가? (단, 여기서 전기자 저항은 0.2Ω이며, 계자전류 및 전기자 반작용은 무시한다.)
    ① 200 ② 210
    ③ 220 ④ 230
  18. 단상 유도전압조정기에 단락권선의 역할은?
    ① 철손 경감 ② 절연 보호
    ③ 전압강하 경감 ④ 전압조정 용이
  19. 3상 유도전동기에서 회전자가 슬립 s로 회전하고 있을 때 2차 유기전압 E2s 및 2차 주파수 f2s와 s와의 관계로 옳은 것은? (단, E2는 회전자가 정지하고 있을 때 2차 유기기전력이며 f1은 1차 주파수이다.)
    ① E2s=sE2, f2s=sf1 ② E2s=sE2, f2s=f1/s
    ③ E2s=E2/s, f2s=f1/s ④ E2s=(1-s)E2, f2s=(1-s)f1
  20. 3,300/200V의 단상 변압기 3대를 △ - Y 결선하고 2차측 선간에 15kW의 단상 전열기를 접속하여 사용하고 있다. 결선을 △ - △ 로 변경하는 경우 이 전열기의 소비전력은 몇 kW로 되는가?
    ① 5 ② 12
    ③ 15 ④ 21

4과목 : 회로이론 및 제어공학

  1. 블록선도와 같은 단위 피드백 제어시스템의 상태방정식은? (단, 상태변수는 로 한다.)
  2. 적분시간 3sec, 비례 감도가 3인 비례적분동작을 하는 제어요소가 있다. 이 제어요소에 동작신호 x(t)=2t를 주었을 때 조작량은 얼마인가? (단, 초기 조작량 y(t)는 0으로 한다.)
    ① t2+2t ② t2+4t
    ③ t2+6t ④ t2+8t
  3. 블록선도의 제어시스템은 단위 램프 입력에 대한 정상상태오차(정상편차)가 0.01이다. 이 제어시스템의 제어요소인 GC1(s)의 k는?
    ① 0.1 ② 1
    ③ 10 ④ 100
  4. 개루프 전달함수 G(s)H(s)로부터 근궤적을 작성할 때 실수축에서의 점근선의 교차점은?
    ① 2 ② 5
    ③ -4 ④ -6
  5. 2차 제어시스템의 감쇠율(damping ratio, ζ)이 ζ < 0인 경우제어시스템의 과도응답 특성은?
    ① 발산 ② 무제동
    ③ 임계제동 ④ 과제동
  6. 특성방정식이 2s4+10s3+11s2+5s+K=0 으로 주어진 제어시스템이 안정하기 위한 조건은?
    ① 0< K < 2 ② 0 < K < 5
    ③ 0 < K < 6 ④ 0 < K < 10
  7. 블록선도의 전달함수 는?
  8. 신호흐름선도에서 전달함수 는?
    ① abcde/(1-cg-bcdg) ② abcde/(1-cf+bcdg)
    ③ abcde/(1+cf-bcdg) ④ abcde/(1+cf+bcdg)
  9. e(t)의 z변환을 E(z)라고 했을 때 e(t)의 최종값 e(∞)은?
  10. 의 라플라스 역변환은?
    ① 1-e-t+2e-3t ② 1-e-t-2e-3t
    ③ -1-e-t-2e-3t ④ -1+e-t+2e-3t
  11. 전압 및 전류가 다음과 같을 때 유효전력(W) 및 역률(%)은 각각 약 얼마인가?
    ① 825W, 48.6% ② 776.4W, 59.7%
    ③ 1,120W, 77.4% ④ 1,850W, 89.6%
  12. 회로에서 t=0초일 때 닫혀있는 스위치 S를 열었다. 이때 dv(0+)/dt의 값은? (단, C의 초기 전압은 0V이다.)
    ① 1/RI ② C/I
    ③ RI ④ I/C
  13. △ 결선된 대칭 3상 부하가 0.5Ω인 저항만의 선로를 통해 평형 3상 전압원에 연결되어 있다. 이 부하의 소비전력이 1,800W이고 역률이 0.8(지상)일 때, 선로에서 발생하는 손실이 50W이면 부하의 단자전압(V)의 크기는?
    ① 627 ② 525
    ③ 326 ④ 225
  14. 그림과 같이 △ 회로를 Y 회로로 등가 변환하였을 떄 임피던스 Za(Ω)은?
    ① 12 ② -3+j6
    ③ 4-j8 ④ 6+j8
  15. 그림과 같은 H형의 4단자 회로망에서 4단자 정수(전송 파라미터) A는? (단, V1은 입력전압이고, V2는 출력전압이고, A는 출력 개방시 회로망의 전압이득 이다.)
    ① (Z1+Z2+Z3)/Z3 ② (Z1+Z3+Z4)/Z3
    ③ (Z2+Z3+Z5)/Z3 ④ (Z3+Z4+Z5)/Z3
  16. 특성 임피던스가 400Ω인 회로 말단에 1,200Ω의 부하가 연결되어 있다. 전원측에 20kV의 전압을 인가할 때 반사파의 크기(kV)는? (단, 선로에서의 전압 감쇠는 없는 것으로 간주한다.)
    ① 3.3 ② 5
    ③ 10 ④ 33
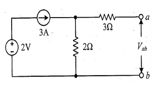
  17. 회로에서 전압 Vab(V)는?
    ① 2 ② 3
    ③ 6 ④ 9
  18. △ 결선된 평셩 3상 부하로 흐르는 선전류가 Ia, Ib, Ic일 때 이 부하로 흐르는 영상분 전류 I0(A)는?
    ① 3Ia ② Ia
    ③ 1/3la ④ 0
  19. 저항 R=15Ω과 인덕턴스 L=3mH를 병렬로 접속한 회로의 서셉턴스의 크기는 약 몇 ℧인가? (단, ω=2π×105)
    ① 3.2×10-2 ② 8.6×10-3
    ③ 5.3×10-4 ④ 4.9×10-5

5과목 : 전기설비기술기준 및 판단기준

  1. 전기철도차량에 전력을 공급하는 전차선의 가선방식에 포함되지 않는 것은?
    ① 가공방식 ② 강체방식
    ③ 제3레일방식 ④ 지중조가선방식
  2. 수소냉각식 발전기 및 이에 부속하는 수소냉각장치에 대한 시설기준으로 틀린 것은?
    ① 발전기 내부의 수소의 온도를 계측하는 장치를 시설 할 것
    ② 발전기 내부의 수소의 순도가 70% 이하로 저하한 경우에 경보를 하는 장치를 시설할 것
    ③ 발전기는 기밀구조의 것이고 또한 수소가 대기압에서 폭발하는 경우에 생기는 압력에 견디는 강도를 가지는 것일 것
    ④ 발전기 내부의 수소의 압력을 계측하는 장치 및 그 압력이 현저히 변동한 경우에 이를 경보하는 장치를 시설할 것
  3. 저압전로의 보호도체 및 중성선의 접속 방식에 따른 접지계통의 분류가 아닌 것은?
    ① IT 계통 ② TN 계통
    ③ TT 계통 ④ TC 계통
  4. 교통신호등 회로의 사용전압이 몇 V를 넘는 경우는 전로에 지락이 생겼을 경우 자동적으로 전로를 차단하는 누전차단기를 시설하는가?
    ① 60 ② 150
    ③ 300 ④ 450
  5. 터널 안의 전선로의 저압전선이 그 터널 안의 다른 저압전선(관등회로의 배선은 제외한다)·약전류전선 등 또는 수관·가스관이나 이와 유사한 것과 접근하거나 교차하는 경우, 저압전선을 애자공사에 의하여 시설하는 때에는 이격거리가 몇 cm 이상이어야 하는가? (단, 전선이 나전선이 아닌 경우이다.)
    ① 10 ② 15
    ③ 20 ④ 25
  6. 저압 절연전선으로 「전기용품 및 생활용품 안전관리법」의 적용을 받는 것 이외에 KS에 적합한 것으로서 사용할 수 없는 것은?
    ① 450/750V 고무절연전선
    ② 450/750V 비닐절연전선
    ③ 450/750V 알루미늄절연전선
    ④ 450/750V 저독성 난연 폴리올레핀절연전선
  7. 사용전압이 154kV인 모선에 접속되는 전력용 커패시터에 울타리를 시설하는 경우 울타리의 높이와 울타리로부터 충전부분까지 거리의 합계는 몇 m 이상이어야 하는가?
    ① 2 ② 3
    ③ 5 ④ 6
  8. 태양광설비에 시설하여야 하는 계측기의 계측대상에 해당하는 것은?
    ① 전압과 전류 ② 전력과 역률
    ③ 전류와 역률 ④ 역률과 주파수
  9. 전선의 단면적이 38mm2인 경동연선을 사용하고 지지물로는 B종 철주 또는 B종 철근콘크리트주를 사용하는 특고압 가공전선로를 제3종 특고압 보안 공사에 의하여 시설하는 경우 경간은 몇 m 이하이어야 하는가?
    ① 100 ② 150
    ③ 200 ④ 250
  10. 저압전로에서 정전이 어려운 경우 등 절연저항측정이 곤란한 경우 저항성분의 누설전류가 몇 mA 이하이면 그 전로의 절연성능은 적합한 것으로 보는가?
    ① 1 ② 2
    ③ 3 ④ 4
  11. 금속제 가요전선관 공사에 의한 저압 옥내배선의 시설기준으로 틀린 것은?
    ① 가요전선관 안에는 전선에 접속점이 없도록 한다.
    ② 옥외용 비닐절연전선을 제외한 절연전선을 사용한다.
    ③ 점검할 수 없는 은폐된 장소에는 1종 가요전선관을 사용할 수 있다.
    ④ 2종 금속제 가요전선관을 사용하는 경우에 습기 많은 장소에 시설하는 때에는 비닐 피복 2종 가요전선관으로 한다.
  12. "리플프리(Ripple-free)직류"란 교류를 직류로 변환할 때 리플성분의 실효값이 몇 % 이하로 포함된 직류를 말하는가?
    ① 3 ② 5
    ③ 10 ④ 15
  13. 사용전압이 22.9kV인 가공전선로를 시가지에 시설하는 경우 전선의 지표상 높이는 몇 m 이상인가? (단, 전선은 특고압 절연전선을 사용한다.)
    ① 6 ② 7
    ③ 8 ④ 10
  14. 가공전선로의 지지물에 시설하는 지선으로 연선을 사용할 경우 소선(素線)은 몇 가닥 이상이어야 하는가?
    ① 2 ② 3
    ③ 5 ④ 9
  15. 다음 ( ) 안에 들어갈 내용으로 옳은 것은?
    ① ㉠ 누설전류, ㉡ 유도작용
    ② ㉠ 단락전류, ㉡ 유도작용
    ③ ㉠ 단락전류, ㉡ 정전작용
    ④ ㉠ 누설전류, ㉡ 정전작용
  16. 사용전압이 22.9kV인 가공전선로의 다중접지한 중성선과 첨가 통신선의 이격거리는 몇 cm 이상이어야 하는가? (단, 특고압 가공전선로는 중성선 다중접지식의 것으로 전로에 지락이 생긴 경우 2초 이내에 자동적으로 이를 전로로부터 차단하는 장치가 되어 있는 것으로 한다.)
    ① 60 ② 75
    ③ 100 ④ 120
  17. 사용전압이 22.9kV인 가공전선이 삭도와 제1차 접근상태로 시설되는 경우 가공전선과 삭도 또는 삭도용 지주 사이의 이격거리는 몇 m 이상으로 하여야 하는가? (단, 전선으로는 특고압 절연전선을 사용한다.)
    ① 0.5 ② 1
    ③ 2 ④ 2.12
  18. 저압 옥내배선에 사용하는 연동선의 최소 굵기는 몇 mm2인가?
    ① 1.5 ② 2.5
    ③ 4.0 ④ 6.0
  19. 전격살충기의 전격격자는 지표 또는 바닥에서 몇 m이상의 높은 곳에 시설하여야 하는가?
    ① 1.5 ② 2
    ③ 2.8 ④ 3.5
  20. 전기철도의 설비를 보호하기 위해 시설하는 피뢰기의 시설기준으로 틀린 것은?
    ① 피뢰기는 변전소 인입측 및 급전선 인출측에 설치하여야 한다.
    ② 피뢰기는 가능한 한 보호하는 기기와 가깝에 시설하되 누설전류 측정이 용이하도록 지지대와 절연하여 설치한다.
    ③ 피뢰기는 개방형을 사용하고 유효 보호거리를 증가시키키 위하여 방전개시전압 및 제한전압이 낮은 것을 사용한다.
    ④ 피뢰기는 가공전선과 직접 접속하는 지중케이블에서 낙뢰에 의해 절연파괴의 우려가 있는 케이블 단말에 설치하여야 한다.

반응형

댓글