1. 알칼리 축전지에 대한 설명으로 옳은 것은?
① 전해액의 농도변화는 거의 없다.
② 전해액은 묽은 황산용액을 사용한다.
③ 진동에 약하고 급속 충방전이 어렵다.
④ 음극에 Ni 산화물, Ag 산화물을 사용한다.
2. 서미스터(Thermister)의 주된 용도는?
① 온도 보상용 ② 잡음 제거용
③ 전압 증폭용 ④ 출력 전류 조절용
3. 전동기를 전원에 접속한 상태에서 중력부하를 하강시킬 때, 전동기의 유기기전력이 전원전압보다 높아져서 발전기로 동작하고 발생전력을 전원으로 되돌려 줌과 동시에 속도를 점차로 감속하는 경제적인 제동법은?
① 역상제동 ② 회생제동
③ 발전제동 ④ 와류제동
4. 필라멘트 재료의 구비조건에 해당되지 않는 것은?
① 융해점이 높을 것
② 고유저항이 작을 것
③ 선팽창 계수가 작을 것
④ 높은 온도에서 증발성이 적을 것
5. 일반적인 농형 유도전동기의 기동법이 아닌 것은?
① Y-△ 기동 ② 전전압 기동
③ 2차 저항 기동 ④ 기동 보상기에 의한 기동
6. 2개의 SCR을 역병렬로 접속한 것과 같은 특성의 소자는?
① GTO ② TRIAC
③ 광사이리스터 ④ 역전용 사이리스터
7. 전동기의 정격(rate)에 해당되지 않는 것은?
① 연속 정격 ② 반복 정격
③ 단시간 정격 ④ 중시간 정격
8. 공업용 온도계로서 가장 높은 온도를 측정할 수 있는 것은?
① 철-콘스탄탄 ② 동-콘스탄탄
③ 크로멜-알루멜 ④ 백금-백금 로듐
9. 열차가 정지신호를 무시하고 운행할 경우 또는 정해진 신호에 따른 속도 이상으로 운행할 경우 설정시간 이내에 제동 또는 지정속도로 감속조작을 하지 않으면 자동으로 열차를 안전하게 정지 시키는 장치는?
① ATC ② ATS
③ ATO ④ CTC
10. 폭 15m의 무한히 긴 가로 양측에 10m의 간격을 두고 수많은 가로등이 점등되고 있다. 1등당 전광속은 3000lm 이고, 이의 60%가 가로 전면에 투사한다고 하면 가로면의 평균 조도는 약 몇 lx인가?
① 36 ② 24
③ 18 ④ 9
11. 녹 아웃 펀치와 같은 목적으로 사용하는 공구의 명칭은?
① 히키 ② 리이머
③ 호울 소우 ④ 드라이브이트
12. 차단기 중 자연 공기 내에서 개방할 때 접촉자가 떨어지면서 자연 소호에 의한 소호방식을 가지는 기능을 이용한 것은?
① 공기차단기 ② 가스차단기
③ 기중차단기 ④ 유입차단기
13. 접촉자의 합금 재료에 속하지 않는 것은?
① 은 ② 니켈
③ 구리 ④ 텅스텐
14. 저압 가공 인입선에서 금속관 공사로 옮겨지는 곳 또는 금속관으로부터 전선을 뽑아 전동기 단자 부분에 접속할 때 사용하는 것은?
① 엘보 ② 터미널 캡
③ 접지클램프 ④ 엔트런스 캡
15. 전선관의 산화 방지를 위해 하는 도금은?
① 납 ② 니켈
③ 아연 ④ 페인트
16. 다음 중 등(램프) 종류별 기호가 옳은 것은?
① 형광등 : F ② 수은등 : N
③ 나트륨등 : T ④ 메탈 헬라이드등 : H
17. 송전용 볼 소켓형 현수애자의 표준형 지름은 약 몇 ㎜ 인가?
① 220 ② 250
③ 270 ④ 300
18. 조명기구나 소형전기기구에 전력을 공급하는 것으로 상점이나 백화점, 전시장 등에서 조명기구의 위치를 빈번하게 바꾸는 곳에 사용되는 것은?
① 라이팅덕트 ② 다운라이트
③ 코퍼라이트 ④ 스포트라이트
19. 전선 재료의 구비 조건 중 틀린 것은?
① 접속이 쉬울 것
② 도전율이 적을 것
③ 가요성이 풍부할 것
④ 내구성이 크고 비중이 작을 것
20. 피뢰기의 접지선에 사용하는 연동선 굵기는 최소 몇 mm2 이상인가?
① 2.5 ② 4
③ 6 ④ 3.2
21. 초고압 송전계통에 단권변압기가 사용되는데 그 이유로 볼 수 없는 것은?
① 효율이 높다
② 단락전류가 적다
③ 전압변동률이 적다
④ 자로가 단축되어 재료를 절약할 수 있다
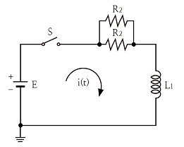
22. 피뢰기의 구비조건이 아닌 것은?
① 상용주파 방전개시 전압이 낮을 것
② 충격방전 개시전압이 낮을 것
③ 속류 차단능력이 클 것
④ 제한전압이 낮을 것
23. 어떤 화력 발전소의 증기조건이 고온원 540℃, 저온원 30℃ 일 때 이 온도 간에서 움직이는 카르노 사이클의 이론 열효율[%]은?
① 85.2 ② 80.5
③ 75.3 ④ 62.7
24. 그림과 같은 회로의 영상, 정상, 역상 임피던스 Z0,Z1, Z2는?

25. 비접지식 송전선로에 있어서 1선 지락고장이 생겼을 경우 지락점에 흐르는 전류는?
① 직류 전류
② 고장상의 영상전압과 동상의 전류
③ 고장상의 영상전압보다 90도 빠른 전류
④ 고장상의 영상전압보다 90도 늦은 전류
26. 가공전선로에 사용하는 전선의 굵기를 결정할 때 고려 할 사항이 아닌 것은?
① 절연저항 ② 전압강하
③ 허용전류 ④ 기계적 강도
27. 조상설비가 아닌 것은?
① 정지형무효전력 보상장치
② 자동고장구분개폐기
③ 전력용콘덴서
④ 분로리액터
28. 코로나현상에 대한 설명이 아닌 것은?
① 전선을 부식 시킨다
② 코로나 현상은 전력의 손실을 일으킨다
③ 코로나 방전에 의하여 전파 장해가 일어난다
④ 코로나 손실은 전원 주파수의 2/3 제곱에 비례한다
29. 다음 ( ① ), ( ② ), ( ③ )에 들어갈 내용으로 옳은 것은?

① ① 원자핵융합 ② 융합 ③ 결합
② ① 핵결합 ② 반응 ③ 융합
③ ① 핵융합 ② 융합 ③ 핵반응
④ ① 핵반응 ② 반응 ③ 결합
30. 경간 200m, 장력 1000 kg, 하중 2kg/m 인 가공전선의 이도 (dip) 는 몇 m 인가?
① 10 ② 11
③ 12 ④ 13
31. 영상변류기를 사용하는 계전기는?
① 과전류계전기 ② 과전압계전기
③ 부족전압계전기 ④ 선택지락계전기
32. 전력계통의 안정도 향상 방법이 아닌 것은?
① 선로 및 기기의 리액턴스를 낮게 한다
② 고속도 재폐로 차단기를 채용한다
③ 중성점 직접접지방식을 채용한다
④ 고속도 AVR 을 채용한다
33. 증식비가 1보다 큰 원자로는?
① 경수로 ② 흑연로
③ 중수로 ④ 고속증식로
34. 송전용량이 증가함에 따라 송전선의 단락 및 지락전류도 증가하여 계통에 여러 가지 장해요인이 되고 있다 이들의 경감대책으로 적합하지 않은 것은?
① 계통의 전압을 높인다
② 고장 시 모선 분리 방식을 채용한다
③ 발전기와 변압기의 임피던스를 작게 한다
④ 송전선 또는 모선 간에 한류리액터를 삽입한다
35. 송배전 선로에서 선택지락계전기 (SGR)의 용도는?
① 다회선에서 접지 고장 회선의 선택
② 단일 회선에서 접지 전류의 대소 선택
③ 단일 회선에서 접지 전류의 방향 선택
④ 단일 회선에서 접지 사고의 지속 시간 선택
36. 그림과 같은 회로의 일반 회로정수가 아닌 것은?

① B=Z+1 ② A=1
③ C=0 ④ D=1
37. 송전선로의 중성점을 접지하는 목적이 아닌 것은?
① 송전 용량의 증가
② 과도 안정도의 증진
③ 이상 전압 발생의 억제
④ 보호 계전기의 신속,확실한 동작
38. 부하전류가 흐르는 전로는 개폐할 수 없으나 기기의 점검이나 수리를 위하여 회로를 분리하거나,계통의 접속을바꾸는데 사용하는 것은?
① 차단기 ② 단로기
③ 전력용 퓨즈 ④ 부하 개폐기
39. 보호계전기와 그 사용 목적이 잘못된 것은?
① 비율차동계전기 : 발전기 내부 단락 검출용
② 전압평형계전기 : 발전기 출력측 PT 퓨즈 단선에 의한 오작동 방지
③ 역상과전류계전기 : 발전기 부하 불평형 회전자 과열소손 방지
④ 과전압계전기 : 과부하 단락사고
40. 송전선로의 정상임피던스를 Z1 , 역상임피던스를 Z2, 영상임피던스를 Z0라 할 때 옳은 것은?
① Z1=Z2=Z0 ② Z1=Z2<Z0
③ Z1>Z2=Z0 ④ Z1<Z2=Z0
|
3과목 : 전기기기 |
41. 그림과 같은 회로에서 전원전압의 실효치 200[V], 점호각 30°일 때 출력전압은 약 몇 V 인가? (단, 정상상태이다.)

① 157.8 ② 168.0
③ 177.8 ④ 187.8
42. 분권발전기의 회전 방향을 반대로 하면 일어나는 현상은?
① 전압이 유기된다 ② 발전기가 소손된다
③ 잔류자기가 소멸된다 ④ 높은 전압이 발생한다
43. 극수가 24일 때, 전기각 180°에 해당되는 기계각은?
① 7.5° ② 15°
③ 22.5° ④ 30°
44. 단락비가 큰 동기기의 특징으로 옳은 것은?
① 안정도가 떨어진다
② 전압 변동률이 크다
③ 선로 충전용량이 크다
④ 단자 단락 시 단락 전류가 적게 흐른다
45. 단상 직권 정류자 전동기에서 보상권선과 저항도선의 작용을 설명한 것 중 틀린 것은?
① 보상권선은 역률을 좋게 한다
② 보상권선은 변압기의 기전력을 크게 한다
③ 보상권선은 전기자 반작용을 제거해 준다
④ 저항도선은 변압기 기전력에 의한 단락전류를 작게 한다
46. 5 kVA, 3000/200 V 의 변압기의 단락시험에서 임피던스 전압 120V, 동손 150W 라 하면 %저항강하는 약 몇 %인가?
① 2 ② 3
③ 4 ④ 5
47. 변압기의 규약효율 산출에 필요한 기본요건이 아닌 것은?
① 파형은 정현파를 기준으로 한다
② 별도의 지정이 없는 경우 역률은 100% 기준이다
③ 부하손은 40℃를 기준으로 보정한 값을 사용한다
④ 손실은 각 권선에 대한 부하손의 합과 무부하손의 합이다
48. 직류기에 보극을 설치하는 목적은?
① 정류 개선 ② 토크의 증가
③ 회전수 일정 ④ 기동토크의 증가
49. 4극 3상 동기기가 48개의 슬롯을 가진다.전기자 권선 분포계수 Kd를 구하면 약 얼마인가?
① 0.923 ② 0.945
③ 0.957 ④ 0.969
50. 슬립 st에서 최대 토크를 발생하는 3상 유도전동기에 2차측 한 상의 저항을 r2라 하면 최대토크로 기동하기 위한 2차측 한 상에 외부로부터 가해 주어야 할 저항은?

51. 어떤 단상변압기의 2차 무부하 전압이 240V 이고 정격 부하시의 2차 단자 전압이 230V 이다 전압 변동률은 약 몇 %인가?
① 4.35 ② 5.15
③ 6.65 ④ 7.35
52. 일반적인 농형 유도전통기에 비하여 2중 농형 유도전동기의 특징으로 옳은 것은?
① 손실이 적다 ② 슬립이 크다
③ 최대 토크가 크다 ④ 기동 토크가 크다
53. 유도전동기의 안정 운전의 조건은? (단, Tm : 전동기 토크, TL : 부하토크, n : 회전수)

54. 사이리스터에서 게이트 전류가 증가하면?
① 순방향 저지전압이 증가한다
② 순방향 저지전압이 감소한다
③ 역방향 저지전압이 증가한다
④ 역방향 저지전압이 감소한다
55. 60Hz 인 3상 8극 및 2극의 유도전동기를 차동종속으로 접속하여 운전할 때의 무부하속도 [rpm] 는?
① 720 ② 900
③ 1000 ④ 1200
56. 원통형 회전자를 가진 동기발전기는 부하각 δ가 몇 도 일 때 최대 출력을 낼 수 있는가?
① 0° ② 30°
③ 60° ④ 90°
57. 직류발전기의 병렬운전에 있어서 균압선을 붙이는 발전기는?
① 타여자발전기
② 직권발전기와 분권발전기
③ 직권발전기와 복권발전기
④ 분권발전기과 복권발전기
58. 변압기의 절연내력시험 방법이 아닌 것은?
① 가압시험 ② 유도시험
③ 무부하시험 ④ 충격전압시험
59. 직류발전기의 유기기전력이 230V, 극수가 4, 정류자 편수가 162인 정류자 편간 평균전압은 약 몇 V 인가? (단, 권선법은 중권이다)
① 5.68 ② 6.28
③ 9.42 ④ 10.2
60. 동기발전기의 단자 부근에서 단락이 일어났다고 하면 단락전류는 어떻게 되는가?
① 전류가 계속 증가한다
② 큰 전류가 증가와 감소를 반복한다
③ 처음에는 큰 전류이나 점차 감소한다
④ 일정한 큰 전류가 지속적으로 흐른다
|
4과목 : 회로이론 및 제어공학 |
61. 다음과 같은 시스템에 단위계단입력 신호가 가해졌을 때 지연시간에 가장 가까운 값[sec]은?

① 0.5 ② 0.7
③ 0.9 ④ 1.2
62. 그림에서 ①에 알맞은 신호 이름은?

① 조작량 ② 제어량
③ 기준입력 ④ 동작신호
63. 드모르간의 정리를 나타낸 식은?

64. 다음 단위 궤환 제어계의 미분방정식은?

65. 특성방정식이 다음과 같다. 이를 z 변환하여 z 평면도에 도시할 때 단위 원 밖에 놓일 근은 몇 개인가?

① 0 ② 1
③ 2 ④ 3
66. 다음 진리표의 논리소자는?

① OR ② NOR
③ NOT ④ NAND
67. 근궤적이 s평면의 jw축과 교차할 때 폐루프의 제어계는?
① 안정하다. ② 알 수 없다.
③ 불안정하다. ④ 임계상태이다.
68. 특성방정식 S3+2S2+(k+3)S+10=0에서 Routh 안정도 판별법으로 판별시 안정하기 위한 k의 범위는?
① k>2 ② k<2
③ k>1 ④ k<1
69. 그림과 같은 신호흐름 선도에서 전달함수 Y(s)/X(s) 는 무엇인가?

70.

의 이득여유[dB]는?
① 20 ② -20
③ 0 ④ ∞
71. R1=R2=100Ω 이며, L1=5H 인 회로에서 시정수는 몇 sec 인가?

① 0.001 ② 0.01
③ 0.1 ④ 1
72. 최대값이 10V인 정현파 전압이 있다.t=0에서의 순시값이 5V이고 이 순간에 전압이 증가하고 있다. 주파수가 60Hz 일 때, t=2ms에서의 전압의 순시값 [V]은?
① 10 sin30° ② 10 sin43.2°
③ 10 sin73.2° ④ 10 sin103.2°
73. 비접지 3상 Y회로에서 전류 Ia=15+j2A,Ib=-20-j14A일 경우 Ic[A]는?
① 5+j12 ② -5+j12
③ 5-j12 ④ -5-j12
74. 그림과 같은 회로의 구동점 임피던스 Zab는?

75. 콘덴서 C[F]에 단위 임펄스의 전류원을 접속하여 동작 시키면 콘덴서의 전압 Vc(t)는? (단, u(t)는 단위계단 함수이다.)
① Vc(t)=C ② Vc(t)=Cu(t)
③ Vc(t)=1/C ④ Vc(t)=(1/C)u(t)
76. 그림과 같은 구형파의 라플라스 변환은?

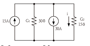
77. 그림과 같은 회로의 콘덕턴스 G2에 흐르는 전류 i는 몇 A 인가?

① -5 ② 5
③ -10 ④ 10
78. 분포정수 전송회로에 대한 설명이 아닌 것은?
① 인 회로를 무왜형 회로라 한다.
② R=G=0인 회로를 무손실 회로라 한다.
③ 무손실 회로와 무왜형 회로의 감쇠정수는 √RG이다.
④ 무손실 회로와 무왜형 회로에서의 위상속도는 1/√LC 이다.
79. 다음 회로에서 절점 a와 절점 b의 전압이 같은 조건은?

① R1R3=R2R4 ② R1R2=R3R4
③ R1+R3=R2+R4 ④ R1+R2=R3+R4
80. 그림과 같은 파형의 파고율은?

① 1 ② 2
③ √2 ④ √3
|
5과목 : 전기설비기술기준 및 판단기준 |
81. 가섭선에 의하여 시설하는 안테나가 있다 이 안테나 주위 에 경동연선을 사용한 고압가공전선이 지나가고 있다면 수평 이격거리는 몇 cm 이상이어야 하는가?
① 40 ② 60
③ 80 ④ 100
82. 지중에 매설되어 있는 금속제 수도관로를 각종 접지공사 의 접지극으로 사용하려면 대지와의 전기저항 값이 몇 Ω 이하의 값을 유지하여야 하는가?
① 1 ② 2
③ 3 ④ 5
83. 가공전선로의 지지물에 시설하는 지선으로 연선을 사용할 경우에는 소선이 최소 몇 가닥 이상이어야 하는가?
① 3 ② 4
③ 5 ④ 6
84. 옥내의 저압전선으로 나전선 사용이 허용되지 않는 경우 는?
① 금속관공사에 의하여 시설하는 경우
② 버스덕트공사에 의하여 시설하는 경우
③ 라이팅덕트공사에 의하여 시설하는 경우
④ 애자사용공사에 의하여 전개된 곳에 전기로용 전선을 시설하는 경우
85. 가공전선로의 지지물에 취급자가 오르고 내리는 데 사용 하는 발판 볼트 등은 지표상 몇 m 미만에 시설하여서는 아니 되는가?
① 1.2 ② 1.5
③ 1.8 ④ 2.0
86. 철도ㆍ궤도 또는 자동차도의 전용터널 안의 전선로의 시설 방법으로 틀린 것은?
① 고압전선은 케이블공사로 하였다
② 저압전선을 가요전선관 공사에 의하여 시설하였다
③ 저압전선으로 지름 2.0mm의 경동선을 사용하였다
④ 저압전선을 애자사용공사에 의하여 시설하고 이를 레일면상 또는 노면상 2.5m 이상의 높이로 유지하였다
87. 수소냉각식 발전기 등의 시설기준으로 틀린 것은?
① 발전기 안의 수소의 온도를 계측하는 장치를 시설 할 것
② 수소를 통하는 관은 수소가 대기압에서 폭발하는 경우에 생기는 압력에 견디는 강도를 가질 것
③ 발전기 안의 수소의 순도가 95% 이하로 저하한 경우에 이를 경보하는 장치를 시설할 것
④ 발전기 안의 수소의 압력을 계측하는 장치 및 그 압력이 현저히 변동한 경우에 이를 경보하는 장치를 시설할 것
88. 과전류차단기로 저압전로에 사용하는 80A 퓨즈를 수평 으로 붙이고,정격전류의 1.6배 전류를 통한 경우에 몇 분 안에 용단되어야 하는가? (단, IEC 표준을 도입한 과전류차단기로 저압전로에 사용하는 퓨즈는 제외한다)
① 30분 ② 60분
③ 120분 ④ 180분
89. 조상기의 내부에 고장이 생긴 경우 자동적으로 전로로 부터 차단하는 장치는 조상기의 뱅크용량이 몇 kVA 이상 이어야 시설하는가?
① 5000 ② 10000
③ 15000 ④ 20000
90. 발열선을 도로, 주차장 또는 조영물의 조영재에 고정 시켜 시설하는 경우 발열선에 전기를 공급하는 전로의 대지전압은 몇 V 이하이어야 하는가?
① 100 ② 150
③ 200 ④ 300
91. 전로에 400V를 넘는 기계기구를 시설하는 경우 기계기구의 철대 및 금속제 외함의 접지저항은 몇 Ω 이상인가?
① 10 ② 30
③ 50 ④ 100
92. 사람이 접촉할 우려가 있는 경우 고압 가공전선과 상부 조영재의 옆쪽에서의 이격거리는 몇 m 이상이어야 하는 가? 단, 전선은 경동연선이라고 한다.
① 0.6 ② 0.8
③ 1.0 ④ 1.2
93. 특고압 가공전선로에서 사용전압이 60kV를 넘는 경우, 전화선로의 길이 몇 km 마다 유도전류가 3μA를 넘지 않도록 하여야 하는가?
① 12 ② 40
③ 80 ④ 100
94. 고압의 계기용 변성기의 2차측 전로에는 몇 종 접지 공사를 하여야 하는가?
① 제1종 접지공사 ② 제2종 접지공사
③ 제3종 접지공사 ④ 특별 제3종 접지공사
95. 가공 직류 절연 귀선은 특별한 경우를 제외하고 어느 전선에 준하여 시설하여야 하는가?
① 저압 가공전선 ② 고압 가공전선
③ 특고압 가공전선 ④ 가공 약전류 전선
96. 직선형의 철탑을 사용한 특고압 가공전선로가 연속하여 10기 이상 사용하는 부분에는 몇 기 이하마다 내장 애자 장치가 되어 있는 철탑 1기를 시설하여야 하는가?
① 5 ② 10
③ 15 ④ 20
97. 옥외용 비닐절연전선을 사용한 저압가공전선이 횡단 보도교 위에 시설되는 경우에 그 전선의 노면상 높이는 몇 m 이상으로 하여야 하는가?
① 2.5 ② 3.0
③ 3.5 ④ 4.0
98. 애자사용 공사를 습기가 많은 장소에 시설하는 경우 전선과 조영재 사이의 이격거리는 몇 cm 이상이어야 하는가? 단, 사용전압은 440V인 경우이다.
① 2.0 ② 2.5
③ 4.5 ④ 6.0
99. 저압 옥내 간선 및 분기회로의 시설 규정 중 틀린 것은?
① 저압 옥내 간선의 전원측 전로에는 간선을 보호하는 과전류차단기를 시설하여야 한다.
② 간선보호용 과전류차단기는 옥내 간선의 허용전류를 초과하는 정격전류를 가져야 한다.
③ 간선으로 사용하는 전선은 전기사용기계 기구의 정격전류 합계 이상의 허용전류를 가져야 한다.
④ 저압 옥내 간선과 분기점에서 전선의 길이가 3m 이하인 곳에 개폐기 및 과전류차단기를 시설하여야 한다.
100. 터널 등에 시설하는 사용전압이 220V인 전구선이 0.6/1kV EP 고무 절연 클로로프렌 캡타이어 케이블일 경우 단면적은 최소 몇 mm2 이상이어야 하는가?
① 0.5 ② 0.75
③ 1.25 ④ 1.4

문제가 이해되지 않거나 더많은 기출문제를 보고싶으면 책을 구매하시는게 더 좋습니다(추천 필기책)
파트너스 활동을 통해 일정액의 수수료를 제공받을 수 있음
'기사 > 전기공사기사' 카테고리의 다른 글
| 2021 . 2회차 . 전기공사기사 필기 기출문제 (정답포함) (0) | 2022.02.06 |
|---|---|
| 2021 . 1회차 . 전기공사기사 필기 기출문제 (정답포함) (0) | 2022.02.04 |
| 2017 . 2회차 . 전기공사기사 필기 기출문제 (정답포함) (0) | 2020.12.23 |
| 2017 . 4회차 . 전기공사기사 필기 기출문제 (정답포함) (0) | 2020.12.20 |
| 2020 . 4회차 . 전기공사기사 필기 기출문제 (정답포함) (0) | 2020.11.16 |


댓글