본문 바로가기
기사/소방설비(전기)기사

2021 . 1회차 . 소방설비기사(전기) 필기 기출문제 (정답포함)

by 라인T 2021. 9. 4.
반응형
  1. 건축법령상 내력벽, 기둥, 바닥, 보, 지붕틀 및 주계단을 무엇이라 하는가?
    ① 내진구조부 ② 건축설비부
    ③ 보조구조부 ④ 주요구조부
  2. 이산화탄소의 물성으로 옳은 것은?
    ① 임계온도 : 31.35℃, 증기비중 : 0.529
    ② 임계온도 : 31.35℃, 증기비중 : 1.529
    ③ 임계온도 : 0.35℃, 증기비중 : 1.529
    ④ 임계온도 : 0.35℃, 증기비중 : 0.529
  3. 소화약제로 사용하는 물의 증발잠열로 기대할 수 있는 소화효과는?
    ① 냉각소화 ② 질식소화
    ③ 제거소화 ④ 촉매소화
  4. 블레비(BLEVE) 현상과 관계가 없는 것은?
    ① 핵분열 ② 가연성액체
    ③ 화구(Fire ball)의 형성 ④ 복사열의 대량 방출
  5. 할로겐화합물 소화약제에 관한 설명으로 옳지 않은 것은?
    ① 연쇄반응을 차단하여 소화한다
    ② 할로겐족 원소가 사용된다
    ③ 전기에 도체이므로 전기화재에 효과가 있다.
    ④ 소화약제의 변질분해 위험성이 낮다.
  6. 스테판-볼쯔만의 법칙에 의해 복사열과 절대온도와의 관계를 옳게 설명한 것은?
    ① 복사열은 절대온도의 제곱에 비례한다.
    ② 복사열은 절대온도의 4제곱에 비례한다.
    ③ 복사열은 절대온도의 제곱에 반비례한다.
    ④ 복사열은 절대온도의 4제곱에 반비례한다.
  7. 분자식이 CF2BrCl 인 할로겐화합물 소화약제는?
    ① Halon 1301 ② Halon 1211
    ③ Halon 2402 ④ Halon 2021
  8. 대두유가 침적된 기름 걸레를 쓰레기통에 장시간 방치한 결과 자연발화에 의하여 화재가 발생한 경우 그 이유로 옳은 것은?
    ① 융해열 축적 ② 산화열 축적
    ③ 증발열 축적 ④ 발효열 축적
  9. 조연성 가스에 해당하는 것은?
    ① 일산화탄소 ② 산소
    ③ 수소 ④ 부탄
  10. 물에 저장하는 것이 안전한 물질은?
    ① 나트륨 ② 수소화칼슘
    ③ 이황화탄소 ④ 탄화칼슘
  11. 다음 각 물질과 물이 반응하였을 때 발생하는 가스의 연결이 틀린 것은?
    ① 탄화칼슘 - 아세틸렌
    ② 탄화알루미늄 - 이산화황
    ③ 인화칼슘 - 포스핀
    ④ 수소화리튬 - 수소
  12. 건축물의 화재 시 피난자들의 집중으로 패닉(Panic) 현상이 일어날 수 있는 피난방향은?
  13. 위험물별 저장방법에 대한 설명 중 틀린 것은?
    ① 유황은 정전기가 축적되지 않도록 하여 저장한다
    ② 적린은 화기로부터 격리하여 저장한다
    ③ 마그네슘은 건조하면 부유하여 분진폭발의 위험이 있으므로 물에 적시어 보관한다
    ④ 황화린은 산화제와 격리하여 저장한다
  14. 전기화재의 원인으로 거리가 먼 것은?
    ① 단락 ② 과전류
    ③ 누전 ④ 절연 과다
  15. 인화점이 낮은 것부터 높은 순서로 옳게 나열된 것은?
    ① 에틸알코올 <이황화탄소 <아세톤
    ② 이황화탄소 <에틸알코올 <아세톤
    ③ 에틸알코올 <아세톤 <이황화탄소
    ④ 이황화탄소 <아세톤 <에틸알코올
  16. 가연성 가스이면서도 독성 가스인 것은?
    ① 질소 ② 수소
    ③ 염소 ④ 황화수소
  17. 1기압상태에서, 100℃ 물 1g이 모두 기체로 변할 때 필요한 열량은 몇 cal 인가?
    ① 429 ② 499
    ③ 539 ④ 639
  18. 다음 물질 중 연소범위를 통해 산출한 위험도 값이 가장 높은 것은?
    ① 수소 ② 에틸렌
    ③ 메탄 ④ 이황화탄소
  19. 일반적으로 공기 중 산소농도를 몇 vol% 이하로 감소시키면 연소속도의 감소 및 질식 소화가 가능한가?
    ① 15 ② 21
    ③ 25 ④ 31
  20. 가연물질의 구비조건으로 옳지 않은 것은?
    ① 화학적 활성이 클 것
    ② 열의 축적이 용이할 것
    ③ 활성화 에너지가 작을 것
    ④ 산소와 결합할 때 발열량이 작을 것

2과목 : 소방전기회로

  1. 논리식 (X+Y)(/X+/Y) 을 간단히 하면?
    ① 1 ② XY
    ③ X ④ Y
  2. 어떤 측정계기의 지시값을 M, 참값을 T라 할 때 보정률(%)은?
  3. 그림과 같이 반지름 r(m)인 원의 원주상 임의의 2점 a, b 사이에 전류 I(A)가 흐른다. 원의 중심에서의 자계의 세기는 몇 A/m인가??
  4. 회로에서 a, b 간의 합성저항(Ω)은? (단, R1=3Ω, R2=9Ω이다.
    ① 3 ② 4
    ③ 5 ④ 6
  5. 2차 제어시스템에서 무제동으로 무한 진동이 일어나는 감쇠율(damping ratio) δ는?
    ① δ = 0 ② δ >1
    ③ δ = 1 ④ 0 <δ <1
  6. 블록선도의 전달함수 (C(s)/R(s))는?
  7. 3상 유도전동기의 특성에서 토크, 2차 입력, 동기속도의 관계로 옳은 것은?
    ① 토크는 2차 입력과 동기속도에 비례한다
    ② 토크는 2차 입력에 비례하고 동기속도에 반비례한다
    ③ 토크는 2차 입력에 반비례하고 동기속도에 비례한다
    ④ 토크는 2차 입력의 제곱에 비례하고 동기속도의 제곱에 반비례한다
  8. 어떤 회로에 v(t)=150sinωt(V)의 전압을 가하니 i(t)=12sin(ωt-30°)(A)의 전류가 흘렀다. 이 회로의 소비전력(유효전력)은 약 몇 W 인가?
    ① 390 ② 450
    ③ 780 ④ 900
  9. 평행한 두 도선 사이의 거리가 r이고, 각 도선에 흐르는 전류에 의해 두 도선 간의 작용력이 F1일 때, 두 도선 사이의 거리를 2r로 하면 두 도선 간의 작용력 F2 는?
    ① F2=1/4F1② F2=1/2F1
    ③ F2=2F1 ④ F2=4F1
  10. 200V의 교류전압에서 30A의 전류가 흐르는 부하가 4.8KW의 유효전력을 소비하고 있을 때 이 부하의 리액턴스(Ω)는?
    ① 6.6 ② 5.3
    ③ 4.0 ④ 3.3
  11. 정전용량이 0.02㎌인 커패시터 2개와 정전용량이 0.01㎌인 커패시터 1개를 모두 병렬로 접속하여 24V의 전압을 가하였다. 이 병렬회로의 합성 정전용량(㎌)과 0.01㎌의 커패시터에 축적되는 전하량(C)은?
    ① 0.05, 0.12×10-6 ② 0.05, 0.24×10-6
    ③ 0.03, 0.12×10-6 ④ 0.03, 0.24×10-6
  12. 그림과 같은 다이오드 회로에서 출력전압 Vo는? (단, 다이오드의 전압강하는 무시한다.)
    ① 10V ② 5V
    ③ 1V ④ 0V
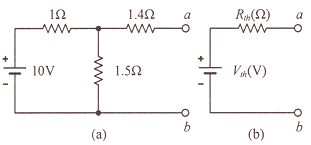
  13. 데브난의 정리를 이용하여 그림(a)의 회로를 그림 (b)와 같은 등가회로로 만들고자 할 때 Vth(V)와 Rth(Ω)은?
    ① 5V, 2Ω ② 5V, 3Ω
    ③ 6V, 2Ω ④ 6V, 3Ω
  14. LC 직렬회로에 직류전압 E를 t=0(s)에 인가했을 때 흐르는 전류 I(t)는?
  15. 다음 소자 중에서 온도 보상용으로 쓰이는 것은?
    ① 서미스터 ② 바리스터
    ③ 제너다이오드 ④ 터널다이오드
  16. 변위를 압력으로 변환하는 장치로 옳은 것은?
    ① 다이어프램 ② 가변 저항기
    ③ 벨로우즈 ④ 노즐 플래퍼
  17. 저항 R1(Ω), 저항 R2(Ω), 인덕턴스 L(H)의 직렬회로가 있다. 이 회로의 시정수(s)는?
  18. 자기 인덕턴스 L1, L2가 각각 4mH, 9mH인 두 코일이 이상적인 결합이 되었다면 상호 인덕턴스는 몇 mH인가? (단, 결합계수는 1이다.)
    ① 6 ② 12
    ③ 24 ④ 36
  19. 분류기를 사용하여 내부저항이 RA인 전류계의 배율을 9로 하기 위한 분류기의 저항 RS(Ω)은?
    ① RS=1/8RA ② RS=1/9RA
    ③ RS=8RA ④ RS=9RA
  20. 그림의 논리회로와 등가인 논리 게이트는?
    ① NOR ② NAND
    ③ NOT ④ OR

3과목 : 소방관계법규

  1. 소방기본법령상 저수조의 설치기준으로 틀린 것은?
    ① 지면으로부터의 낙차가 4.5m 이상일 것
    ② 흡수부분의 수심이 0.5m 이상일 것
    ③ 흡수에 지장이 없도록 토사 및 쓰레기 등을 제거할 수 있는 설비를 갖출 것
    ④ 흡수관의 투입구가 사각형의 경우에는 한변의 길이가 60cm 이상, 원형의 경우에는 지름이 60cm 이상일 것
  2. 소방시설공사업법령상 소방시설업 등록을 하지 아니하고 영업을 한 자에 대한 벌칙은?
    ① 500만원 이하의 벌금
    ② 1년 이하의 징역 또는 1000만원 이하의 벌금
    ③ 3년 이하의 징역 또는 3000만원 이하의 벌금
    ④ 5년 이하의 징역
  3. 화재예방, 소방시설 설치/유지 및 안전관리에 관한 법령상 대통령령 또는 화재안전기준이 변경되어 그 기준이 강화되는 경우 기존 특정소방대상물의 소방시설 중 강화된 기준을 적용하여야 하는 소방시설은?
    ① 비상경보설비 ② 비상방송설비
    ③ 비상콘센트설비 ④ 옥내소화전설비
  4. 소방기본법령상 화재조사의 종류 중 화재원인조사에 해당하지 않는 것은?
    ① 발화원인 조사 ② 인명피해 조사
    ③ 연소상황 조사 ④ 소방시설 등 조사
  5. 소방기본법령상 소방신호의 방법으로 틀린 것은?
    ① 타종에 의한 훈련신호는 연 3타 반복
    ② 싸이렌에 의한 발화신호는 5초 간격을 두고, 10초씩 3회
    ③ 타종에 의한 해제신호는 상당한 간격을 두고 1타씩 반복
    ④ 싸이렌에 의한 경계신호는 5초 간격을 두고, 30초씩 3회
  6. 화재예방, 소방시설 설치/유지 및 안전관리에 관한 법령상 특정소방대상물의 관계인이 수행하여야 하는 소방안전관리 업무가 아닌 것은?
    ① 소방훈련의 지도/감독
    ② 화기(火氣) 취급의 감독
    ③ 피난시설, 방화구획 및 방화시설의 유지/관리
    ④ 소방시설이나 그 밖의 소방 관련시설의 유지/관리
  7. 소방기본법에서 정의하는 소방대의 조직구성원이 아닌 것은?
    ① 의무소방원 ② 소방공무원
    ③ 의용소방대원 ④ 공항소방대원
  8. 위험물안전관리법령상 인화성액체위험물(이황화탄소를 제외)의 옥외탱크저장소의 탱크주위에 설치하여야 하는 방유제의 기준 중 틀린 것은?
    ① 방유제의 용량은 방유제안에 설치된 탱크가 하나인 때에는 그 탱크 용량의 110% 이상으로 할 것
    ② 방유제의 용량은 방유제안에 설치된 탱크가 2기 이상인 때에는 그 탱크중 용량이 최대인 것의 용량의 110% 이상으로 할 것
    ③ 방유제는 높이 1m 이상 2m 이하, 두께0.2m 이상, 지하매설 깊이 0.5m 이상으로 할것
    ④ 방유제내의 면적은 80000m2 이하로 할 것
  9. 위험물안전관리법상 시ㆍ도지사의 허가를 받지 아니하고 당해 제조소등을 설치 할 수 있는 기준 중 다음 ( )안에 알맞은 것은?
    ① 20 ② 30
    ③ 40 ④ 50
  10. 화재예방, 소방시설 설치ㆍ유지 및 안전관리에 관한 법령상 건축허가등의 동의대상물의 범위기준 중 틀린 것은?
    ① 건축등을 하려는 학교시설 : 연면적 200m2이상
    ② 노유자시설 : 연면적 200m2이상
    ③ 정신의료기관(입원실이 없는 정신건강의학과 의원은 제외) : 연면적 300m2이상
    ④ 장애인 의료재활시설 : 연면적 300m2이상
  11. 화재예방, 소방시설 설치/유지 및 안전관리에 관한 법령상 지하가는 연면적이 최소 몇m2이상이어야 스프링클러설비를 설치하여야 하는 특정소방대상물에 해당하는가? (단, 터널은 제외한다.)
    ① 100 ② 200
    ③ 1000 ④ 2000
  12. 화재예방, 소방시설 설치ㆍ유지 및 안전관리에 관한 법령상 소방안전관리대상물의 소방계획서에 포함되어야 하는 사항이 아닌 것은?
    ① 소방시설ㆍ피난시설 및 방화시설의 점검ㆍ정비계획
    ② 위험물안전관리법에 따라 예방규정을 정하는 제조소등의 위험물 저장ㆍ취급에 관한사항
    ③ 특정소방대상물의 근무자 및 거주자의 자위소방대 조직과 대원의 임무에 관한 사항
    ④ 방화구획, 제연구획, 건축물의 내부마감재료(불연재료ㆍ준불연재료 또는 난연재료로 사용된 것) 및 방염물품의 사용현황과 그밖의 방화구조 및 설비의 유지ㆍ관리계획
  13. 위험물안전관리법상 업무상 과실로 제조소등에서 위험물을 유출ㆍ방출 또는 확산시켜 사람의 생명ㆍ신체 또는 재산에 대하여 위험을 발생시킨 자에 대한 벌칙기준은?
    ① 5년 이하의 금고 또는 2000만원 이하의 벌금
    ② 5년 이하의 금고 또는 7000만원 이하의 벌금
    ③ 7년 이하의 금고 또는 2000만원 이하의 벌금
    ④ 7년 이하의 금고 또는 7000만원 이하의 벌금
  14. 소방기본법령상 소방용수시설의 설치기준 중 급수탑의 급수배관의 구경은 최소 몇mm 이상이어야 하는가?
    ① 100 ② 150
    ③ 200 ④ 250
  15. 소방시설공사업법령상 공사감리자 지정대상 특정소방대상물의 범위가 아닌 것은?
    ① 물분무등소화설비(호스릴 방식의 소화설비는 제외)를 신설ㆍ개설하거나 방호ㆍ방수 구역을 증설할 때
    ② 제연설비를 신설ㆍ개설하거나 제연구역을 증설할 때
    ③ 연소방지설비를 신설ㆍ개설하거나 살수구역을 증설할 때
    ④ 캐비닛형 간이스프링클러설비를 신설ㆍ개설하거나 방호ㆍ방수구역을 증설할 때
  16. 화재예방, 소방시설 설치ㆍ유지 및 안전관리에 관한 법령상 자동화재탐지설비를 설치하여야 하는 특정소방대상물에 대한 기준 중 ( )에 알맞은 것은?
    ① 400 ② 600
    ③ 1000 ④ 3500
  17. 화재예방, 소방시설 설치/유지 및 안전관리에 관한 법령상 형식승인을 받지 아니한 방용품을 판매하거나 판매목적으로 진열하거나 소방시설공사에 사용한 자에 대한 벌칙 기준은?
    ① 3년 이하의 징역 또는 3000만원 이하의 벌금
    ② 2년 이하의 징역 또는 1500만원 이하의 벌금
    ③ 1년 이하의 징역 또는 1000만원 이하의 벌금
    ④ 1년 이하의 징역 또는 500만원 이하의 벌금
  18. 소방기본법에서 정의하는 소방대상물에 해당하지 않는 것은?
    ① 산림 ② 차량
    ③ 건축물 ④ 항해 중인 선박
  19. 화재예방, 소방시설 설치/유지 및 안전관리에 관한 법령상 특정소방대상물의 소방시설 설치의 면제기준 중 다음 ( )안에 알맞은 것은?
    ① 옥내소화전설비 ② 스프링클러설비
    ③ 간이스프링클러설비 ④ 청정소화약제소화설비
  20. 위험물안전관리법령상 위험물의 유별 저장/취급의 공통기준 중 다음 ( )안에 알맞은 것은?
    ① 제1류 ② 제2류
    ③ 제3류 ④ 제4류

4과목 : 소방전기시설의 구조 및 원리

  1. 비상콘센트설비의 화재안전기준(NFSC 504)에 따라 하나의 전용회로에 단상교류 비상콘센트 6개를 연결하는 경우, 전선의 용량은 몇 kVA 이상이어야 하는가?
    ① 1.5 ② 3
    ③ 4.5 ④ 9
  2. 무선통신보조설비의 화재안전기준(NFSC 505)에 따라 지표면으로부터의 깊이가 몇m 이하인 경우에는 해당층에 한하여 무선통신보조설비를 설치하지 아니할 수 있는가?
    ① 0.5 ② 1
    ③ 1.5 ④ 2
  3. 자동화재속보설비의 속보기의 성능인증 및 제품검사의 기술기준에 따른 속보기의 구조에 대한 설명으로 틀린 것은?
    ① 수동통화용 송수화장치를 설치하여야 한다
    ② 접지전극에 직류전류를 통하는 회로방식을 사용하여야 한다
    ③ 작동 시 그 작동시간과 작동회수를 표시할 수 있는 장치를 하여야 한다
    ④ 예비전원회로에는 단락사고 등을 방지하기 위한 퓨즈, 차단기 등과 같은 보호장치를 하여야 한다
  4. 공기관식 차동식 분포형감지기의 기능시험을 하였더니 검출기의 접점수고치가 규정이상으로 되어 있었다. 이때 발생되는 장애로 볼 수 있는 것은?
    ① 작동이 늦어진다.
    ② 장애는 발생되지 않는다.
    ③ 동작이 전혀 되지 않는다.
    ④ 화재도 아닌데 작동하는 일이 있다.
  5. 경종의 형식승인 및 제품검사의 기술기준에 따라 경종은 전원전압이 정격전압의 ± 몇%범위에서 변동하는 경우 기능에 이상이 생기지 아니하여야 하는가?
    ① 5 ② 10
    ③ 20 ④ 30
  6. 누전경보기의 화재안전기준(NFSC 205)에 따라 누전경보기의 수신부를 설치할 수 있는 장소는? (단, 해당 누전경보기에 대하여 방폭ㆍ방식ㆍ방습ㆍ방온ㆍ방진 및 정전기 차폐등의 방호조치를 하지 않은 경우이다.)
    ① 습도가 낮은 장소
    ② 온도의 변화가 급격한 장소
    ③ 화약류를 제조하거나 저장 또는 취급하는 장소
    ④ 부식성의 증기ㆍ가스 등이 다량으로 체류하는 장소
  7. 자동화재탐지설비 및 시각경보장치의 화재안전기준(NFSC 203)에 따라 특정소방대상물 중 화재신호를 발신하고 그 신호를 수신 및 유효하게 제어할 수 있는 구역을 무엇이라 하는가?
    ① 방호구역 ② 방수구역
    ③ 경계구역 ④ 화재구역
  8. 소방시설용 비상전원수전설비의 화재안전기준(NFSC 602) 용어의 정의에 따라 수용장소의 조영물(토지에 정착한 시설물 중 지붕 및 기둥 또는 벽이 있는 시설물을 말한다.)의 옆면 등에 시설하는 전선으로서 그 수용장소의 인입구에 이르는 부분의 전선은 무엇인가?
    ① 인입선 ② 내화배선
    ③ 열화배선 ④ 인입구배선
  9. 비산콘센트설비의 성능인증 및 제품검사의 기술기준에 따른 표시등의 구조 및 기능에 대한 내용이다. 다음 ( )에 들어갈 내용으로 옳은 것은?
    ① ⓐ 100, ⓑ 1 ② ⓐ 300, ⓑ 3
    ③ ⓐ 500, ⓑ 5 ④ ⓐ 1000, ⓑ 10
  10. 감시기의 형식승인 및 제품검사의 기술기준에 따라 단독경보형감지기의 일반기능에 대한 내용이다. 다음 ( )에 들어갈 내용으로 옳은 것은?
    ① ⓐ 1, ⓑ 15, ⓒ 60 ② ⓐ 1, ⓑ 30, ⓒ 60
    ③ ⓐ 2, ⓑ 15, ⓒ 60 ④ ⓐ 2, ⓑ 30, ⓒ 60
  11. 일반적인 비상방송설비의 계통되다. 다음의 ( )에 들어갈 내용으로 옳은 것은?
    ① 변류기 ② 발신기
    ③ 수신기 ④ 음향장치
  12. 자동화재탐지설비 및 시각경보장치의 화재안전기준(NFSC 203)에 따라 자동화재탐지설비의 주음향장치의 설치 장소로 옳은 것은?
    ① 발신기의 내부
    ② 수신기의 내부
    ③ 누전경보기의 내부
    ④ 자동화재속보설비의 내부
  13. 비상조명등의 형식승인 및 제품검사의 기술기준에 따라 비상조명등의 일반구조로 광원과 전원부를 별도로 수납하는 구조에 대한 설명으로 틀린 것은?
    ① 전원함은 방폭구조로 할 것
    ② 배선은 충분히 견고한 것을 사용 할 것
    ③ 광원과 전원부 사이의 배선길이는 1m 이하로 할 것
    ④ 전원함은 불연재료 또는 난연재료의 재질을 사용할 것
  14. 누전경보기의 형식승인 및 제품검사의 기술기준에 따라 누전경보기에 사용되는 표시등의 구조 및 기능에 대한 설명으로 틀린 것은?
    ① 누전등이 설치된 수신부의 지구등은 적색외의 색으로도 표시할 수 있다.
    ② 방전등 또는 발광다이오드의 경우 전구는 2개 이상을 병렬로 접속하여야 한다
    ③ 소켓은 접촉이 확실하여야 하며 쉽게 전구를 교체할 수 있도록 부착하여야 한다.
    ④ 누전등 및 지구등과 쉽게 구별할 수 있도록 부착된 기타의 표시등은 적색으로도 표시할 수 있다.
  15. 유도등의 형식승인 및 제품검사의 기술기준에 따라 영상표시소자(LED, LCD 및 PDP 등)를 이용하여 피난유도표시 형상을 영상으로 구현하는 방식은?
    ① 투광식 ② 패널식
    ③ 방폭형 ④ 방수형
  16. 발신기의 형식승인 및 제품검사의 기술기준에 따라 발신기의 작동기능에 대한 내용이다. 다음 ( )에 들어갈 내용으로 옳은 것은?
    ① ⓐ 2, ⓑ 8 ② ⓐ 3, ⓑ 7
    ③ ⓐ 2, ⓑ 7 ④ ⓐ 3, ⓑ 8
  17. 유도등의 형식승인 및 제품검사의 기술기준에 따라 객석유도등은 바닥면 또는 디딤바닥면에서 높이 0.5m의 위치에 설치하고 그 유도등의 바로 및에서 0.3m 떨어진 위치에서의 수평조도가 몇 lx 이상이어야 하는가?
    ① 0.1 ② 0.2
    ③ 0.5 ④ 1
  18. 무선통신보조설비의 화재안전기준(NFSC 505)에 따라 무선통신보조설비의 주요구성요소가 아닌 것은?
    ① 증폭기 ② 분배기
    ③ 음향장치 ④ 누설동축케이블
  19. 소방시설용 비상전원수전설비의 화재안전기준(NFSC 602)에 따라 일반전기사업자로부터 특별고압 또는 고압으로 수전하는 비상전원 수전설비로 큐비클형을 사용하는 경우의 시설기준으로 틀린 것은? (단, 옥내에 설치하는 경우이다.)
    ① 외함은 내화성능이 있는 것으로 제작 할 것
    ② 전용큐비클 또는 공용큐비클식으로 설치할 것
    ③ 개구부에는 갑종방화문 또는 병종방화문을 설치할 것
    ④ 외함은 두께 2.3mm 이상의 강판과 이와 동등 이상의 강도를 가질 것
  20. 비상방송설비의 화재안전기준에 따른 비상방송설비의 음향장치에 대한 내용이다. 다음 ( )에 들어갈 내용으로 옳은 것은?
    ① 10 ② 15
    ③ 20 ④ 25

반응형

댓글