1. 스테판-볼쯔만의 법칙에 의해 복사열과 절대온도와의 관계를 옳게 설명한 것은?
① 복사열은 절대온도의 제곱에 비례한다.
② 복사열은 절대온도의 4제곱에 비례한다.
③ 복사열은 절대온도의 제곱에 반비례한다.
④ 복사열은 절대온도의 4제곱에 반비례한다.
2. 물을 사용하여 소화가 가능한 물질은?
① 트리메틸알루미늄 ② 나트륨
③ 칼륨 ④ 적린
3. 화씨 95도를 켈빈(Kelvin)온도로 나타내면 약 몇 K 인가?
① 178 ② 252
③ 308 ④ 368
4. 알킬알루미늄 화재에 적합한 소화약제는?
① 물 ② 이산화탄소
③ 팽창질석 ④ 할로겐화합물
5. 제1종 분말 소화약제의 열분해 반응식으로 옳은 것은?
① 2NaHCO3 → Na2CO3 + CO2 +H2O
② 2KHCO3 → K2CO3 + CO2 +H2O
③ 2NaHCO3 → Na2CO3 + 2CO2 +H2O
④ 2KHCO3 → K2CO3 + 2CO2 +H2O
6. 폭굉(Detonation)에 관한 설명으로 틀린 것은?
① 연소속도가 음속보다 느릴 때 나타난다.
② 온도의 상승은 충격파의 압력에 기인한다.
③ 압력상승은 폭연의 경우보다 크다.
④ 폭굉의 유도거리는 배관의 지름과 관계가 있다.
7. 화재의 종류에 따른 표시 색 연결이 틀린 것은?
① 일반화재 - 백색 ② 전기화재 - 청색
③ 금속화재 - 흑색 ④ 유류화재 - 황색
8. 화재 및 폭발에 관한 설명으로 틀린 것은?
① 메탄가스는 공기보다 무거우므로 가스탐지부는 가스기구의 직하부에 설치한다.
② 옥외저장탱크의 방유제는 화재 시 화재의 확대를 방지하기 위한 것이다.
③ 가연성 분진이 공기 중에 부유하면 폭발할 수도 있다.
④ 마그네슘의 화재 시 주수 소화는 화재를 확대할 수 있다.
9. 굴뚝효과에 관한 설명으로 틀린 것은?
① 건물내ㆍ외부의 온도차에 따른 공기의 흐름 현상이다.
② 굴뚝효과는 고층건물에서는 잘 나타나지 않고 저층건물에서 주로 나타난다.
③ 평상시 건물 내의 기류분포를 지배하는 중요요소이며 화재 시 연기의 이동에 큰 영향을 미친다.
④ 건물외부의 온도가 내부의 온도보다 높은 경우 저층부에서는 내부에서 외부로 공기의 흐름이 생긴다.
10. 위험물안전관리법상 위험물의 지정수량이 틀린 것은?
① 과산화나트륨 - 50 kg
② 적린 - 100 kg
③ 트리니트로톨루엔 - 200 kg
④ 탄화알루미늄 - 400 kg
11. 연쇄반응을 차단하여 소화하는 약제는?
① 물 ② 포
③ 할론 1301 ④ 이산화탄소
12. 화재 발생 시 인간의 피난 특성으로 틀린 것은?
① 본능적으로 평상시 사용하는 출입구를 사용한다.
② 최초로 행동을 개시한 사람을 따라서 움직인다.
③ 공포감으로 인해서 빛을 피하여 어두운 곳으로 몸을 숨긴다.
④ 무의식 중에 발화 장소의 반대쪽으로 이동한다.
13. 에스테르가 알칼리의 작용으로 가수분해 되어 알코올과 산의 알칼리염이 생성되는 반응은?
① 수소화 분해반응 ② 탄화 반응
③ 비누화 반응 ④ 할로겐화 반응
14. 위험물에 관한 설명으로 틀린 것은?
① 유기금속화합물인 사에틸납은 물로 소화할 수 없다.
② 황린은 자연발화를 막기 위해 통상 물속에 저장한다.
③ 칼륨, 나트륨은 등유 속에 보관한다.
④ 유황은 자연발화를 일으킬 가능성이 없다.
15. 블레비(BLEVE) 현상과 관계가 없는 것은?
① 핵분열 ② 가연성액체
③ 화구(Fire ball)의 형성 ④ 복사열의 대량 방출
16. 소화기구는 바닥으로부터 높이 몇 m 이하의 곳에 비치하여야 하는가? (단, 자동소화장치를 제외한다.)
① 0.5 ② 1.0
③ 1.5 ④ 2.0
17. 제4류 위험물의 화재 시 사용되는 주된 소화방법은?
① 물을 뿌려 냉각한다.
② 연소물을 제거한다.
③ 포를 사용하여 질식 소화한다.
④ 인화점 이하로 냉각한다.
18. 증발잠열을 이용하여 가연물의 온도를 떨어뜨려 화재를 진압하는 소화방법은?
① 제거소화 ② 억제소화
③ 질식소화 ④ 냉각소화
19. 분말소화약제 중 담홍색 또는 황색으로 착색하여 사용하는 것은?
① 탄산수소나트륨
② 탄산수소칼륨
③ 제1인산암모늄
④ 탄산수소칼륨과 요소와의 반응물
20. 건축물의 내화구조 바닥이 철근콘크리조 또는 철골천근콘크리트조인 경우 두께가 몇 cm 이상이어야 하는가?
① 4 ② 5
③ 7 ④ 10
|
2과목 : 소방유체역학 |
21. 배연설비의 배관을 흐르는 공기의 유속을 피토정압관으로 측정할 때 정압단과 정체압단에 연결된 U자관의 수은 기둥 높이차가 0.03m 이었다. 이 때 공기의 속도는 약 몇 m/s 인가? (단, 공기의 비중은 0.00122, 수은의 비중 13.6이다.)
① 81 ② 86
③ 91 ④ 96
22. 펌프 입구의 진공계 및 출구의 압력계 지침이 흔들리고 송출유량도 주기적으로 변화하는 이상 현상은?
① 공동현상(cavitation) ② 수격작용(water hammering)
③ 맥동현상(surging) ④ 언밸런스(unbalance)
23. 동일한 성능의 두 펌프를 직렬 또는 병렬로 연결하는 경우의 주된 목적은?
① 직렬 : 유량 증가, 병렬 : 양정 증가
② 직렬 : 유량 증가, 병렬 : 유량 증가
③ 직렬 : 양정 증가, 병렬 : 유량 증가
④ 직렬 : 양정 증가, 병렬 : 양정 증가
24. 액체가 일정한 유량으로 파이프를 흐를 때 유체속도에 대한 설명으로 틀린 것은?
① 관 지름에 반비례한다.
② 관 단면적에 반비례한다.
③ 관 지름의 제곱에 반비례한다.
④ 관 반지름의 제곱에 반비례한다.
25. 매끈한 원관을 통과하는 난류의 관마찰계수에 영향을 미치지 않는 변수는?(오류 신고가 접수된 문제입니다. 반드시 정답과 해설을 확인하시기 바랍니다.)
① 길이 ② 속도
③ 직경 ④ 밀도
26. 온도 20℃의 물을 계기압력이 400kPa인 보일러에 공급하여 포화수증기 1kg을 만들고자 한다. 주어진 표를 이용하여 필요한 열량을 구하면? (단, 대기압은 100kPa, 액체상태 물의 평균비열은 4.18 kJ/kgK이다.)

① 2640 ② 2651
③ 2660 ④ 2667
27. 구조가 상사한 2대의 펌프에서, 유동상태가 상사할 경우 2대의 펌프 사이에 성립하는 상사법칙이 아닌 것은? (단, 비압축성유체인 경우이다.)
① 유량에 관한 상사법칙
② 전양정에 관한 상사법칙
③ 축동력에 관한 상사법칙
④ 밀도에 관한 상사법칙
28. 질량 4kg의 어떤 기체로 구성된 밀폐계가 열을 받아 100kJ의 일을 하고, 이 기체의 온도가 10℃상승하였다면 이 계가 받은 열은 몇 kJ인가? (단, 이 기체의 정적비열은 5kJ/kgㆍK, 정압비열은 6kJ/kgㆍK 이다.)
① 200 ② 240
③ 300 ④ 340
29. 다음 보기는 열역학적 사이클에서 일어나는 여러 가지의 과정이다. 이들 중, 카르노(Carnot) 사이클에서 일어나는 과정을 모두 고른 것은?

① ㉠ ② ㉠,㉡
③ ㉡,㉢,㉣ ④ ㉠,㉡,㉢,㉣
30. 프루드(Froude)수의 물리적인 의미는?
① 관성력/탄성력 ② 관성력/중력
③ 압축력/관성력 ④ 관성력/점성력
31. 표면적이 2 m2이고 표면 온도가 60℃인 고체 표면을 20℃의 공기로 대류 열전달에 의해서 냉각한다. 평균 대류 열전달계수가 30W/m2ㆍK라고 할 때 고체표면의 열손실은 몇 W 인가?
① 600 ② 1200
③ 2400 ④ 3600
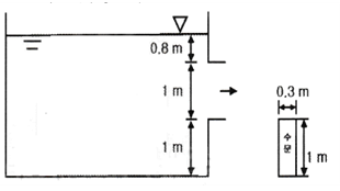
32. 그림과 같은 수조에 0.3m ×1.0 m 크기의 사각 수문을 통하여 유출되는 유량은 몇 m3/s 인가? (단, 마찰손실은 무시하고 수조의 크기는 매우 크다고 가정한다.)

① 1.3 ② 1.5
③ 1.7 ④ 1.9
33. 그림과 같이 평형상태를 유지하고 있을 때 오른쪽 관에 있는 유체의 비중[S]은? (단, 물의 밀도는 1000kg/m3 이다.)

① 0.9 ② 1.8
③ 2.0 ④ 2.2
34. 출구 지름이 50 mm인 노즐이 100 mm의 수평관과 연결되어 있다. 이 관을 통하여 물(밀도 1000kg/m3)이 0.02m3/s의 유량으로 흐르는 경우, 이 노즐에 작용하는 힘은 몇 N 인가?

① 230 ② 424
③ 508 ④ 7709
35. 호수 수면 아래에서 지름 d인 공기 방울이 수면으로 올라오면서 지름이 1.5배로 팽창 하였다. 공기방울의 최초 위치는 수면에서부터 몇 m 되는 곳인가? (단, 이 호수의 대기압은 750mmHg, 수은의 비중은 13.6, 공기방울 내부의 공기는 Boyle의 법칙에 따른다.)
① 12.0 ② 24.2
③ 34.4 ④ 43.3
36. 부차적 손실계수가 5인 밸브가 관에 부착되어 있으며 물의 평균유속 4m/s 인 경우, 이 밸브에서 발생하는 부차적 손실수두는 몇 m 인가?
① 61.3 ② 6.13
③ 40.8 ④ 4.08
37. 지름의 비가 1 : 2인 2개의 모세관을 물 속에 수직으로 세울 때 모세관현상으로 물이 관속으로 올라가는 높이의 비는?
① 1 : 4 ② 1 : 2
③ 2 : 1 ④ 4 : 1
38. 다음 중 동점성계수의 차원을 옳게 표현한 것은? (단, 질량 M, 길이 L, 시간 T로 표시한다.)
① [ML-1T-1] ② [L2T-1]
③ [ML-2T-2] ④ [ML-1T-2]
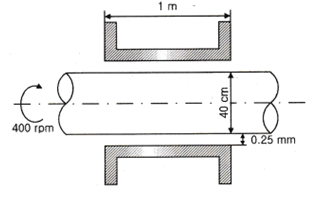
39. 지름이 400mm인 베어링이 400rpm 으로 회전하고 있을 때 마찰에 의한 손실동력은 약 몇 kW 인가? (단, 베어링과 축 사이에는 점성계수가 0.049 Nㆍs/m2인 기름이 차 있다.)

① 15.1 ② 15.6
③ 16.3 ④ 17.3
40. 폭 1.5m, 높이 4m인 직사각형 평판이 수면과 40°의 각도로 경사를 이루는 저수지의 물을 막고 있다. 평판의 밑변이 수면으로부터 3m 아래에 있다면, 물로 인하여 평판이 받는 힘은 몇 kN인가? (단, 대기압의 효과는 무시한다.)
① 44.1 ② 88.2
③ 101 ④ 202
|
3과목 : 소방관계법규 |
41. 1급 소방안전관리대상물의 소방안전관리에 관한 시험응시 자격자의 기준으로 옳은 것은?
① 1급 소방안전관리대상물의 소방안전관리에 관한 강습교육을 수료한 후 1년이 경과되지 아니한 자
② 1급 소방안전관리대상물의 소방안전관리에 관한 강습교육을 수료한 후 1년 6개월이 경과되지 아니한 자
③ 1급 소방안전관리대상물의 소방안전관리에 관한 강습교육을 수료한 후 2년이 경과되지 아니한 자
④ 1급 소방안전관리대상물의 소방안전관리에 관한 강습교육을 수료한 후 3년이 경과되지 아니한 자
42. 특정소방대상물의 근린생활시설에 해당되는 것은?
① 전시장 ② 기숙사
③ 유치원 ④ 의원
43. 다음 중 그 성질이 자연발화성 물질 및 금수성 물질인 제3류 위험물에 속하지 않는 것은?
① 황린 ② 황화린
③ 칼륨 ④ 나트륨
44. 다음 중 자동화재탐지설비를 설치해야 하는 특정소방대상물은?
① 길이가 1.3 km인 지하가 중 터널
② 연면적 600m2인 볼링장
③ 연면적 500m2인 산후조리원
④ 지정수량 100배의 특수가연물을 저장하는 창고
45. 소방시설업 등록사항의 변경신고 사항이 아닌 것은?
① 상호 ② 대표자
③ 보유설비 ④ 기술인력
46. 옥내주유취급소에 있어서 당해 사무소 등의 출입구 및 피난구와 당해 피난구로 통하는 통로ㆍ계단 및 출입구에 설치해야 하는 피난설비는?
① 유도등 ② 구조대
③ 피난사다리 ④ 완강기
47. 완공된 소방시설 등의 성능시험을 수행하는 자는?
① 소방시설공사업자 ② 소방공사감리업자
③ 소방시설설계업자 ④ 소방기구제조업자
48. 소방의 역사와 안전문화를 발전시키고 국민의 안전의식을 높이기 위하여 ㉠소방박물관과 ㉡소방체험관을 설립 및 운영할 수 있는 사람은?(관련 규정 개정전 문제로 여기서는 기존 정답인 2번을 누르면 정답 처리됩니다. 자세한 내용은 해설을 참고하세요.)
① ㉠ : 국민안전처장관, ㉡ : 국민안전처장관
② ㉠ : 국민안전처장관, ㉡ : 시ㆍ도지사
③ ㉠ : 시ㆍ도지사, ㉡ : 시ㆍ도지사
④ ㉠ : 소방본부장, ㉡ : 시ㆍ도지사
49. 보일러 등의 위치ㆍ구조 및 관리와 화재예방을 위하여 불의 사용에 있어서 지켜야 하는 사항 중 보일러에 경유ㆍ등유 등 액체연료를 사용하는 경우에 연료탱크는 보일러 본체로부터 수평거리 최소 몇 m이상의 간격을 두어 설치해야 하는가?
① 0.5 ② 0.6
③ 1 ④ 2
50. 위험물 제조소에서 저장 또는 취급하는 위험물에 따른 주의사항을 표시한 게시판 중 화기엄금을 표시하는 게시판의 바탕색은?
① 청색 ② 적색
③ 흑색 ④ 백색
51. 도시의 건물 밀집지역 등 화재가 발생할 우려가 높거나 화재가 발생하는 경우 그로 인하여 피해가 클 것으로 예상되는 일정한 구역을 화재경계지구로 지정할 수 있는 권한을 가진 사람은?
① 시ㆍ도지사 ② 국민안전처장관
③ 소방서장 ④ 소방본부장
52. 소방시설공사업자가 소방시설공사를 하고자 하는 경우 소방시설공사 착공신고서를 누구에게 제출해야 하는가?
① 시ㆍ도지사
② 국민안전처장관
③ 한국소방시설협회장
④ 소방본부장 또는 소방서장
53. 연소 우려가 있는 건축물의 구조에 대한 기준 중 다음 보기(㉠),(㉡)에 들어갈 수치로 알맞은 것은?

① ㉠ 5, ㉡ 10 ② ㉠ 6, ㉡ 10
③ ㉠ 10, ㉡ 5 ④ ㉠ 10, ㉡ 6
54. 소방본부장 또는 소방서장이 소방특별조사를 하고자 하는 때에는 며칠 전에 관계인에게 서면으로 알려야 하는가?
① 1일 ② 3일
③ 5일 ④ 7일
55. 다음 중 위험물별 성질로서 틀린 것은?
① 제1류 : 산화성 고체 ② 제2류 : 가연성 고체
③ 제4류 : 인화성 액체 ④ 제6류 : 인화성 고체
56. 화재예방, 소방시설 설치ㆍ유지 및 안전관리에 관한 법률상 소방시설 등에 대한 자체점검 중 종합정밀점검 대상기준으로 옳지 않은 것은?
① 제연설비가 설치된 터널
② 노래연습장으로서 연면적이 2000m2 이상인 것
③ 아파트는 연면적 5000m2 이상이고 16층 이상인 것
④ 소방대가 근무하지 않는 국공립학교 중 연면적이 1000m2 이상인 것으로서 자동화재탐지설비가 설치된 것
57. 위력을 사용하여 출동한 소방대의 화재진압ㆍ인명구조 또는 구급활동을 방해하는 행위를 한 자에 대한 벌칙 기준은?(관련 규정 개정전 문제로 여기서는 기존 정답인 4번을 누르면 정답 처리 됩니다. 자세한 내용은 해설을 참고하세요)
① 200만원 이하의 벌금
② 300만원 이하의 벌금
③ 3년 이하의 징역 또는 1500만원 이하의 벌금
④ 5년 이하의 징역 또는 3000만원 이하의 벌금
58. 소방용수시설 중 저수조 설치 시 지면으로부터 낙차 기준은?
① 2.5m 이하 ② 3.5m 이하
③ 4.5m 이하 ④ 5.5m 이하
59. 신축ㆍ증축ㆍ개축ㆍ재축ㆍ대수선 또는 용도변경으로 해당 특정소방대상물의 소방안전관리자를 신규로 선임하는 경우 해당 특정소방대상물의 관계인은 특정소방대상물의 완공일로부터 며칠 이내에 소방안전관리자를 선임하여야 하는가?
① 7일 ② 14일
③ 30일 ④ 60일
60. 형식승인을 얻어야 할 소방용품이 아닌 것은?
① 감지기 ② 휴대용 비상조명등
③ 소화기 ④ 방염액
|
4과목 : 소방기계시설의 구조 및 원리 |
61. 물분무소화설비에서 압력수조를 이용한 가압송수장치의 압력수조에 설치하여야 하는 것이 아닌 것은?
① 맨홀 ② 수위계
③ 급기관 ④ 수동식 공기압축기
62. 특정소방대상물에 따라 작용하는 포소화설비의 종류 및 적응성에 관한 설명으로 틀린 것은?
① 소방기본법시행령 별표2의 특수가연물을 저장ㆍ취급하는 공장에는 호스릴포소화설비를 설치한다.
② 완전 개방된 옥상주차장으로 주된 벽에 없고 기둥뿐이거나 주위가 위해방지용 철주 등으로 둘러쌓인 부분에는 호스릴포소화설비 또는 포소화전설비를 설치할 수 있다.
③ 차고에는 포워터스프링클러설비ㆍ포헤드설비 또는 고정포방출설비, 압축공기포소화설비를 설치한다.
④ 항공기 격납고에는 포워터스프링클러설비ㆍ포헤드설비 또는 고정포방출설비, 압축공기포소화설비를 설치한다.
63. 다음에서 설명하는 기계 제연방식은?

① 제1종 기계 제연방식 ② 제2종 기계 제연방식
③ 제3종 기계 제연방식 ④ 스모크타워 제연방식
64. 분말소화설비가 작동한 후 배관 내 잔여분말의 청소용(cleaning)으로 사용되는 가스로 옳게 연결된 것은?
① 질소, 건조공기 ② 질소, 이산화탄소
③ 이산화탄소, 아르곤 ④ 건조공기, 아르곤
65. 개방형 스프링클러설비에서 하나의 방수구역을 담당하는 헤드 개수는 몇 개 이하로 설치해야 하는가? (단, 1개의 방수구역으로 한다.)
① 60 ② 50
③ 40 ④ 30
66. 수동으로 조작하는 대형소화기 B급의 능력단위는?
① 10 단위 이상 ② 15 단위 이상
③ 20 단위 이상 ④ 30 단위 이상
67. 저압식 이산화탄소 소화설비 소화약제 저장용기에 설치하는 안전밸브의 작동압력은 내압시험압력의 몇 배에서 작동하는가?
① 0.24 ~ 0.4 ② 0.44 ~ 0.6
③ 0.64 ~ 0.8 ④ 0.84 ~ 1
68. 스프링클러 설비의 배관에 대한 내용 중 잘못된 것은?
① 수직배수배관의 구경은 65mm 이상으로 하여야 한다.
② 급수배관 중 가지배관의 배열은 토너먼트 방식이 아니어야 한다.
③ 교차배관의 청소구는 교차배관 끝에 개폐밸브를 설치한다.
④ 습식스프링클러설비 외의 설비에는 헤드를 향하여 상향으로 가지배관의 기울기를 250분의 1 이상으로 한다.
69. 가솔린을 저장하는 고정지붕식의 옥외탱크에 설치하는 포소화설비에서 포를 방출하는 기기는 어느 것인가?
① 포워터 스프링클러헤드
② 호스릴 포 소화설비
③ 포 헤드
④ 고정포 방출구(폼 챔버)
70. 백화점의 7층에 적응성이 없는 피난기구는?
① 구조대 ② 피난용트랩
③ 피난교 ④ 완강기
71. 특별피난계단의 계단실 및 부속실 제연설비의 화재 안전기준 중 급기풍도 단면의 긴변의 길이가 1300 mm 인 경우, 강판의 두께는 몇 mm 이상이어야 하는가?
① 0.6 ② 0.8
③ 1.0 ④ 1.2
72. 경사강하식 구조대의 구조 기준 중 입구틀 및 취부틀의 입구는 지름 몇 cm 이상의 구체가 통과할 수 있어야 하는가?
① 50 ② 60
③ 70 ④ 80
73. 폐쇄형헤드를 사용하는 연결살수설비의 주배관을 옥내소화전설비의 주배관에 접속할 때 접속부분에 설치해야 하는 것은? (단, 옥내소화전설비가 설치된 경우이다.)
① 체크밸브 ② 게이트밸브
③ 글로브밸브 ④ 버터플라이밸브
74. 물분무소화설비를 설치하는 주차장의 배수설비 설치기준으로 틀린 것은?
① 차량이 주차하는 장소의 적당한 곳에 높이 10cm 이상의 경계턱으로 배수구를 설치한다.
② 40m 이하마다 기름분리장치를 설치한다.
③ 차량이 주차하는 바닥은 배수구를 향하여 100분의 1 이상의 기울기를 유지한다.
④ 가압송수장치의 최대송수능력의 수량을 유효하게 배수할 수 있는 크기 및 기울기로 설치한다.
75. 차고 또는 주차장에 설치하는 분말소화설비의 소화약제는?
① 탄산수소나트륨을 주성분으로 한 분말
② 탄산수소칼륨을 주성분으로 한 분말
③ 인산염을 주성분으로 한 분말
④ 탄산수소칼륨과 요소가 화합된 분말
76. 개방형헤드를 사용하는 연결살수설비에서 하나의 송수구역에 설치하는 살수헤드의 최대 개수는?
① 10 ② 15
③ 20 ④ 30
77. 다음 중 청정소화약제 소화설비를 설치할 수 없는 위험물 사용 장소는? (단, 소화성능이 인정되는 위험물은 제외한다.)
① 제1류 위험물을 사용하는 장소
② 제2류 위험물을 사용하는 장소
③ 제3류 위험물을 사용하는 장소
④ 제4류 위험물을 사용하는 장소
78. 바닥면적이 1300m2인 관람장에 소화기구를 설치할 경우, 소화기구의 최소 능력단위는? (단, 주요구조부가 내화구조이고, 벽 및 반자의 실내에 면하는 부분이 불연재료이다.)
① 7단위 ② 9단위
③ 10단위 ④ 13단위
79. 스프링클러설비의 펌프실을 점검하였다. 펌프의 토출측 배관에 설치되는 부속장치 중에서 펌프와 체크밸브(또는 개폐밸브) 사이에 설치할 필요가 없는 배관은?
① 기동용 압력챔버 배관 ② 성능시험 배관
③ 물올림장치 배관 ④ 릴리프밸브 배관
80. 옥외소화전설비의 호스접결구는 특정소방대상물의 각 부분으로부터 하나의 호스접결구 까지의 수평거리는 몇 m 이하인가?
① 25 ② 30
③ 40 ④ 50

'기사 > 소방설비(기계)기사' 카테고리의 다른 글
| 2021 . 1회차 . 소방설비기사(기계) 필기 기출문제 (정답포함) (0) | 2021.08.30 |
|---|---|
| 2016 . 1회차 . 소방설비기사(기계) 필기 기출문제 (정답포함) (0) | 2021.02.01 |
| 2016 . 4회차 . 소방설비기사(기계) 필기 기출문제 (정답포함) (0) | 2021.01.25 |
| 2020 . 4회차 . 소방설비기사(기계) 필기 기출문제 (정답포함) (0) | 2020.12.05 |
| 2017 . 2회차 . 소방설비기사(기계) 필기 기출문제 (정답포함) (0) | 2020.11.23 |
댓글